TH M5 003 10 075
ITP P/N:
THM500310075
11
TH M5 003 10 075
ITP P/N:
THM500310075
109,00 €*
Sofort verfügbar, Versandfertig 1-3 Tage
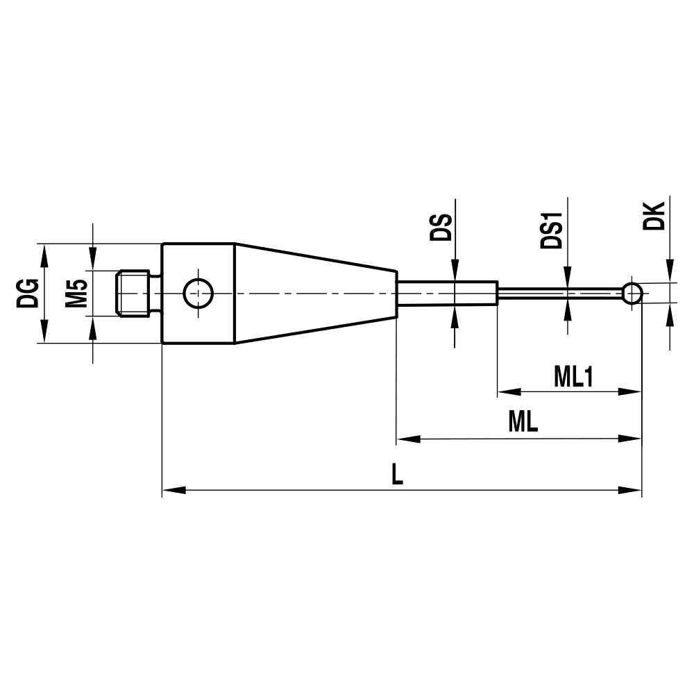
Gerade Taster; Grundkörper: Titan; Schaft: Hartmetall; Kugel: Rubin
Gerader Taster für den täglichen Standardeinsatz.
Der Hartmetallschaft mit seiner extremen Steifigkeit ermöglicht eine große Abmessungsvielfalt. Der Schaft kann ein- oder mehrfach abgestuft werden.
Für diese Taster werden Rubinkugeln höchster Qualität ab Ø0,2mm bis Ø1,5mm.
Weitere Größen können über den Konfigurator oder per E-Mail angefragt werden.
| Gewindegröße: | M5 |
|---|---|
| DK: | 0.3 |
| L: | 75.15 |
| DG: | 10.0 |
| ML: | 5.15 |
| ML (1): | 3.15 |
| DS: | 0.7 |
| DS (1): | 0.2 |
| Grundkörper Material: | Titan |
| Kugelmaterial: | Rubin |
| Schaftmaterial: | Hartmetall |
| Gewicht: | 14.1 |
| Kompatibel mit: | Renishaw |
| Renishaw-Nr.: | A-5003-5240 |