FH M5 0025 11 032
ITP P/N:
FHM5002511032
11
FH M5 0025 11 032
ITP P/N:
FHM5002511032
149,00 €*
Versandfertig in 14 Tagen, Lieferzeit 1-3 Tage
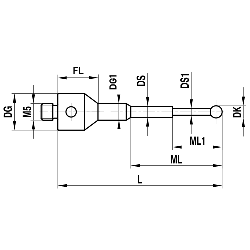
Gerade Taster; Grundkörper: Stahl; Schaft: Hartmetall; Kugel: Rubin
Gerader Taster mit abgestuftem, verstärktem Grundkörper.
Der Hartmetallschaft mit seiner extremen Steifigkeit ermöglicht eine große Abmessungsvielfalt. Der Schaft kann ein- oder mehrstufig ausgeführt werden.
Für diese Taster werden Rubinkugeln höchster Qualität von Ø0,2mm bis Ø1,0mm verwendet.
Weitere Abmessungen können über den Konfigurator oder per E-Mail angefragt werden.
Gewindegröße: | M5 |
---|---|
DK: | 0.25 |
L: | 32.0 |
DG: | 11.0 |
DG (1): | 4.0 |
FL: | 9.0 |
ML: | 12.0 |
ML (1): | 2.3 |
DS: | 1.0 |
DS (1): | 0.18 |
Grundkörper Material: | Stahl |
Kugelmaterial: | Rubin |
Schaftmaterial: | Hartmetall |
Gewicht: | 6.6 |
