FH M5 008 11 032
ITP P/N:
FHM500811032
11
Passend zu Zeiss: 602030-8060-000
Passend zu Zeiss: 602030-8060-000
FH M5 008 11 032
ITP P/N:
FHM500811032
44,00 €*
Sofort verfügbar, Versandfertig 1-3 Tage
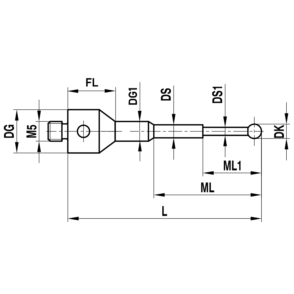
Gerade Taster; Grundkörper: Stahl; Schaft: Hartmetall; Kugel: Rubin
Gerader Taster mit abgestuftem, verstärktem Grundkörper.
Der Hartmetallschaft mit seiner extremen Steifigkeit ermöglicht eine große Abmessungsvielfalt. Der Schaft kann ein- oder mehrstufig ausgeführt werden.
Für diese Taster werden Rubinkugeln höchster Qualität von Ø0,2mm bis Ø1,0mm verwendet.
Weitere Abmessungen können über den Konfigurator oder per E-Mail angefragt werden.
| Gewindegröße: | M5 |
|---|---|
| DK: | 0.8 |
| L: | 32.0 |
| DG: | 11.0 |
| DG (1): | 4.0 |
| FL: | 9.0 |
| ML: | 12.0 |
| ML (1): | 4.8 |
| DS: | 1.0 |
| DS (1): | 0.6 |
| Grundkörper Material: | Stahl |
| Kugelmaterial: | Rubin |
| Schaftmaterial: | Hartmetall |
| Gewicht: | 6.5 |
| Kompatibel mit: | Renishaw, Zeiss |
| Zeiss Nr.: | 602030-8060-000 |
| Renishaw-Nr.: | A-5555-0052 |