FH M5 013 11 044
ITP P/N:
FHM501311044
11
Passend zu Zeiss: 602030-8063-000
Passend zu Zeiss: 602030-8063-000
FH M5 013 11 044
ITP P/N:
FHM501311044
39,00 €*
Sofort verfügbar, Versandfertig 1-3 Tage
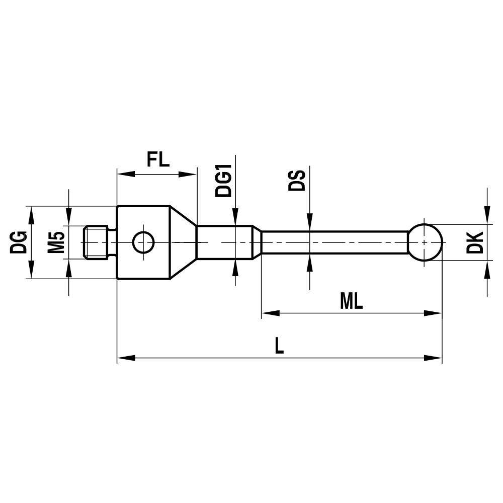
Gerade Taster; Grundkörper: Stahl; Schaft: Hartmetall; Kugel: Rubin
Gerader Taster mit abgestuftem, verstärktem Grundkörper
Der Hartmetallschaft mit seiner extremen Steifigkeit ermöglicht eine große Abmessungsvielfalt.
Für diese Taster werden Rubinkugeln höchster Qualität ab Ø1,35mm bis Ø2,5mm.
Weitere Größen können über den Konfigurator oder per E-Mail angefragt werden.
| Gewindegröße: | M5 |
|---|---|
| DK: | 1.35 |
| L: | 44.0 |
| DG: | 11.0 |
| DG (1): | 4.0 |
| FL: | 9.0 |
| ML: | 19.0 |
| DS: | 1.0 |
| Grundkörper Material: | Stahl |
| Kugelmaterial: | Rubin |
| Schaftmaterial: | Hartmetall |
| Gewicht: | 7.2 |
| Kompatibel mit: | Renishaw, Zeiss |
| Zeiss Nr.: | 602030-8063-000 |
| Renishaw-Nr.: | A-5555-0055 |