FH M5 020 11 044
ITP P/N:
FHM502011044
11
Passend zu Zeiss: 602030-8067-000
Passend zu Zeiss: 602030-8067-000
FH M5 020 11 044
ITP P/N:
FHM502011044
40,00 €*
Sofort verfügbar, Versandfertig 1-3 Tage
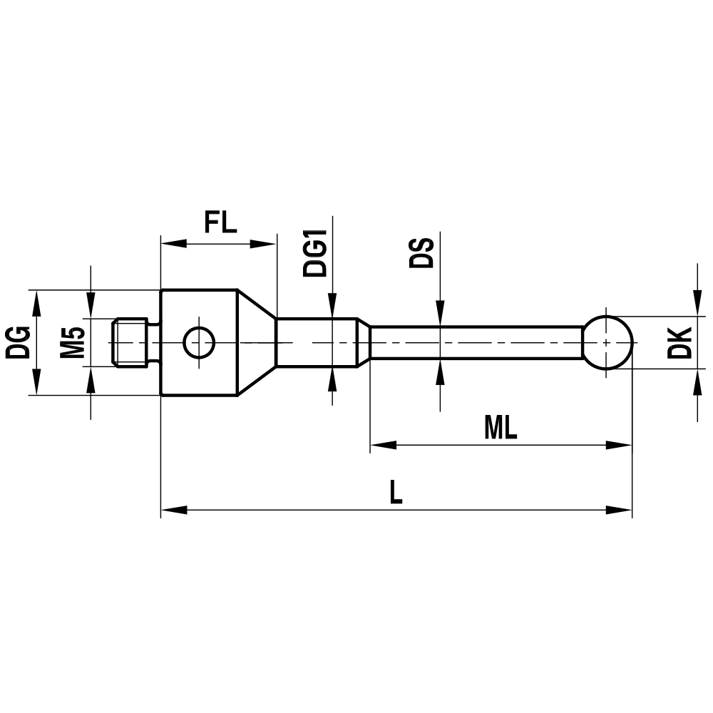
Gerade Taster; Grundkörper: Stahl; Schaft: Hartmetall; Kugel: Rubin
Gerader Taster mit abgestuftem, verstärktem Grundkörper
Der Hartmetallschaft mit seiner extremen Steifigkeit ermöglicht eine große Abmessungsvielfalt.
Für diese Taster werden Rubinkugeln höchster Qualität ab Ø1,35mm bis Ø2,5mm.
Weitere Größen können über den Konfigurator oder per E-Mail angefragt werden.
| Gewindegröße: | M5 |
|---|---|
| DK: | 2.0 |
| L: | 44.0 |
| DG: | 11.0 |
| DG (1): | 4.0 |
| FL: | 9.0 |
| ML: | 19.0 |
| DS: | 1.5 |
| Grundkörper Material: | Stahl |
| Kugelmaterial: | Rubin |
| Schaftmaterial: | Hartmetall |
| Gewicht: | 7.6 |
| Kompatibel mit: | Renishaw, Zeiss |
| Zeiss Nr.: | 602030-8067-000 |
| Renishaw-Nr.: | A-5555-0059 |