FT M5 020 11 055
ITP P/N:
FTM502011055
11
Passend zu Zeiss: 602030-9021-000
Passend zu Zeiss: 602030-9021-000
FT M5 020 11 055
ITP P/N:
FTM502011055
75,00 €*
Versandfertig in 14 Tagen, Lieferzeit 1-3 Tage
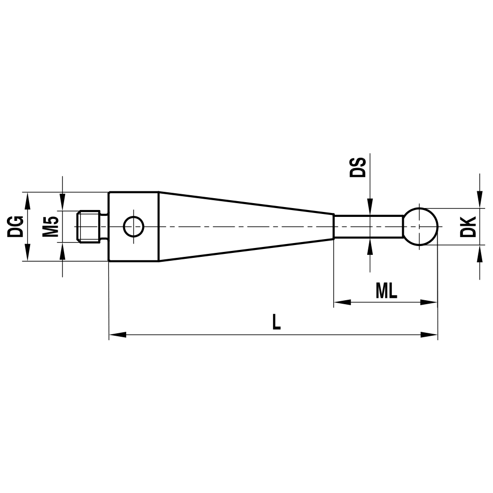
Gerade Taster; Grundkörper: Titan; Schaft: Hartmetall; Kugel: Rubin
Gerader Taster mit langem, verstärktem Grundkörper für Messungen mit höchsten Präzisionsanforderungen.
Der Hartmetallschaft mit seiner extremen Steifigkeit ermöglicht eine große Abmessungsvielfalt.
Für diese Taster werden Rubinkugeln höchster Qualität von Ø1,0mm bis Ø3,5mm verwendet.
Weitere Abmessungen können über den Konfigurator oder per E-Mail angefragt werden.
| Gewindegröße: | M5 |
|---|---|
| DK: | 2.0 |
| L: | 55.0 |
| DG: | 11.0 |
| ML: | 5.0 |
| DS: | 1.5 |
| Grundkörper Material: | Titan |
| Kugelmaterial: | Rubin |
| Schaftmaterial: | Hartmetall |
| Gewicht: | 12 |
| Kompatibel mit: | Renishaw, Zeiss |
| Zeiss Nr.: | 602030-9021-000 |
| Renishaw-Nr.: | A-5555-0066 |