GW M1 200 20 025
ITP P/N:
GWM120020025
11
Passend zu Zeiss: 602030-0017-000
Passend zu Zeiss: 602030-0017-000
GW M1 200 20 025
ITP P/N:
GWM120020025
48,00 €*
Versandfertig in 14 Tagen, Lieferzeit 1-3 Tage
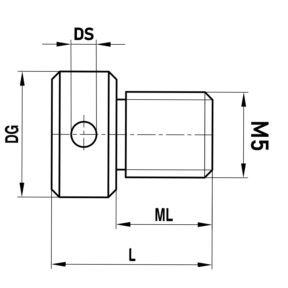
Zubehör; Grundkörper: Stahl
Gewindemessstifte werden zur Positionsmessung von Innengewinden verwendet.
Gewindegröße: | M5 |
---|---|
L: | 25.0 |
DG: | 20.0 |
ML: | 15.0 |
DS: | 3.1 |
G (1): | m12 |
Grundkörper Material: | Stahl |
Kompatibel mit: | Zeiss |
Gewicht: | 33.4 |
Zeiss Nr.: | 602030-0017-000 |
Renishaw-Nr.: | A-5555-0214 |
