GW M4 000 10 016
ITP P/N:
GWM400010016
11
Passend zu Zeiss: 602030-0012-000
Passend zu Zeiss: 602030-0012-000
GW M4 000 10 016
ITP P/N:
GWM400010016
46,00 €*
Versandfertig in 14 Tagen, Lieferzeit 1-3 Tage
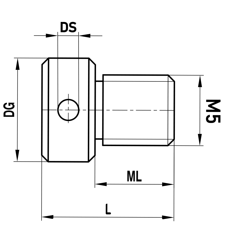
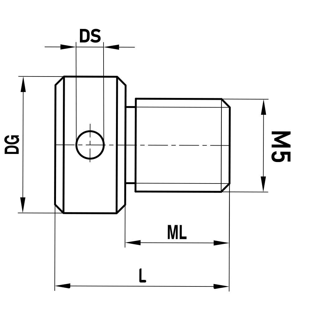
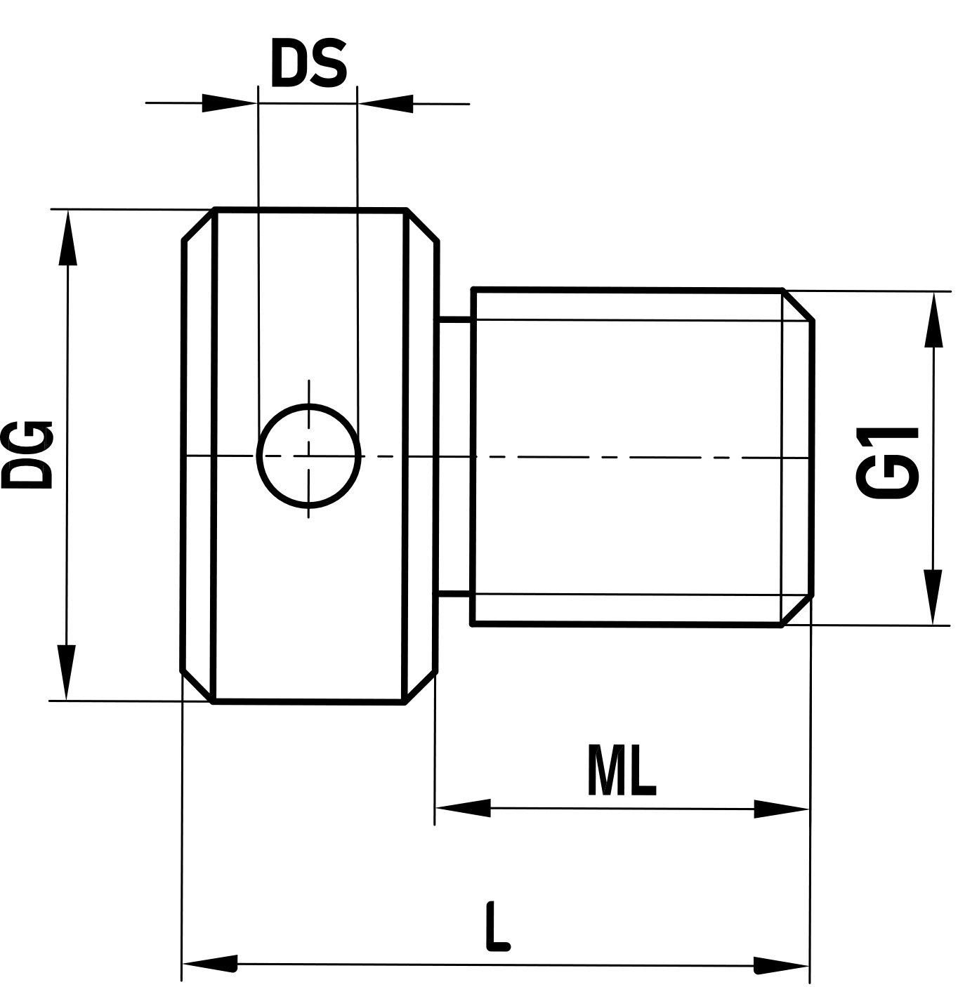
Zubehör; Grundkörper: Stahl
Gewindemessstifte werden zur Positionsmessung von Innengewinden verwendet.
| Gewindegröße: | M5 |
|---|---|
| L: | 16.0 |
| DG: | 10.0 |
| ML: | 10.0 |
| DS: | 3.1 |
| G (1): | M4 |
| Grundkörper Material: | Stahl |
| Gewicht: | 3.8 |
| Kompatibel mit: | Renishaw, Zeiss |
| Zeiss Nr.: | 602030-0012-000 |
| Renishaw-Nr.: | A-5555-0209 |