HI M3 000 12 011
ITP P/N:
HIM300012011
11
Passend zu Zeiss: 602030-8382-000
Passend zu Zeiss: 602030-8382-000
HI M3 000 12 011
ITP P/N:
HIM300012011
38,00 €*
Sofort verfügbar, Versandfertig 1-3 Tage
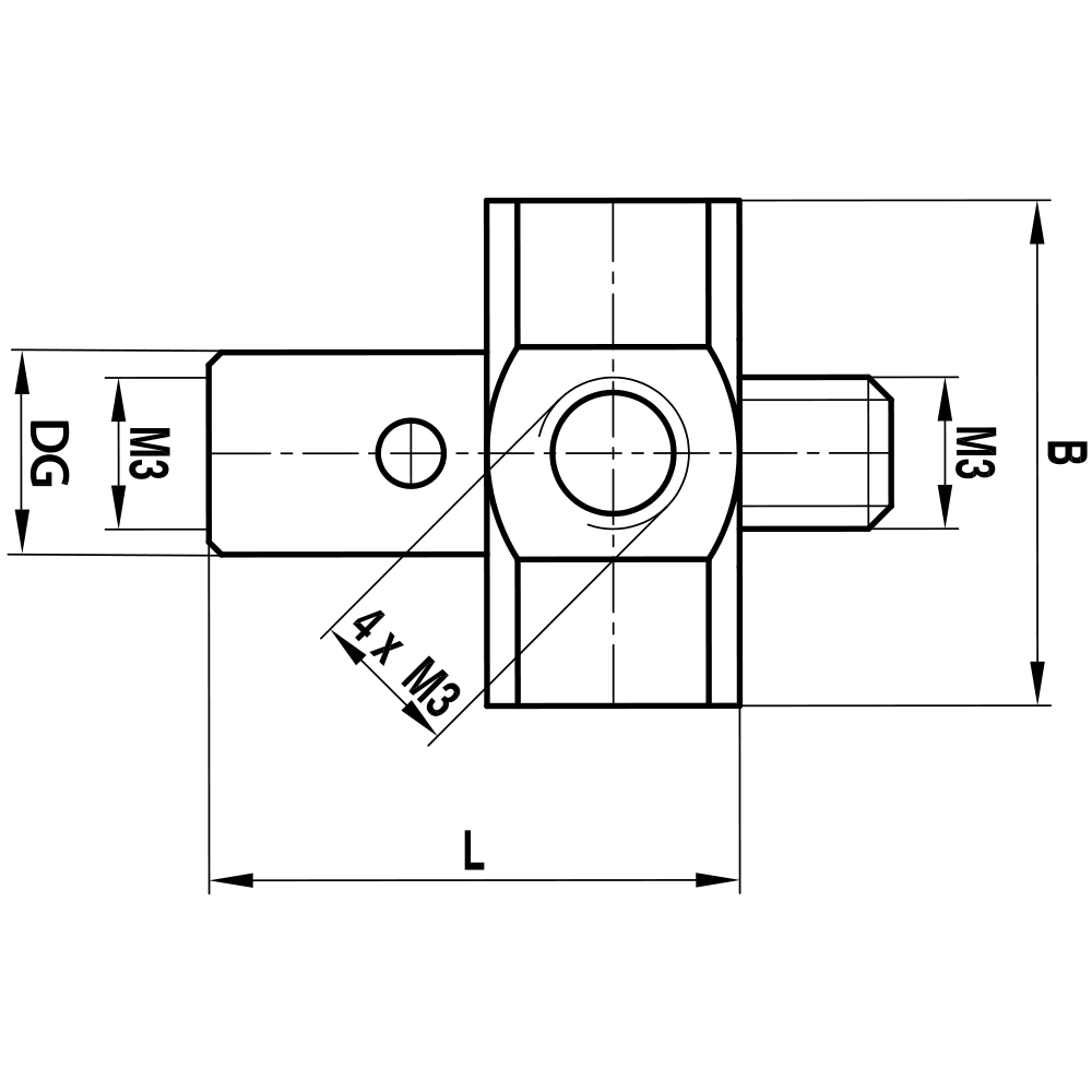
Adapter / Halter; Grundkörper: Stahl
Mit den Tasterhaltern können L-Taster und Sterntaster mit 2 bis 5 Armen schnell und flexibel montiert werden. Die Halter verfügen über 5 Anschlussgewinde und können starr oder drehbar ausgeführt sein. Die drehbaren Halter können in beliebiger Achsausrichtung fixiert werden.
| Gewindegröße: | M3 |
|---|---|
| L: | 11.5 |
| DG: | 4.0 |
| B: | 12.0 |
| Grundkörper Material: | Stahl |
| Gewicht: | 4.4 |
| Kompatibel mit: | Renishaw, Zeiss |
| Zeiss Nr.: | 602030-8382-000 |
| Renishaw-Nr.: | A-5555-0303 |