KI M2 008 18 002

ITP P/N: KIM200818002 11

KI M2 008 18 002

ITP P/N: KIM200818002

118,00 €*

Sofort verfügbar, Versandfertig 1-3 Tage


Zu unserem Anfrageformular
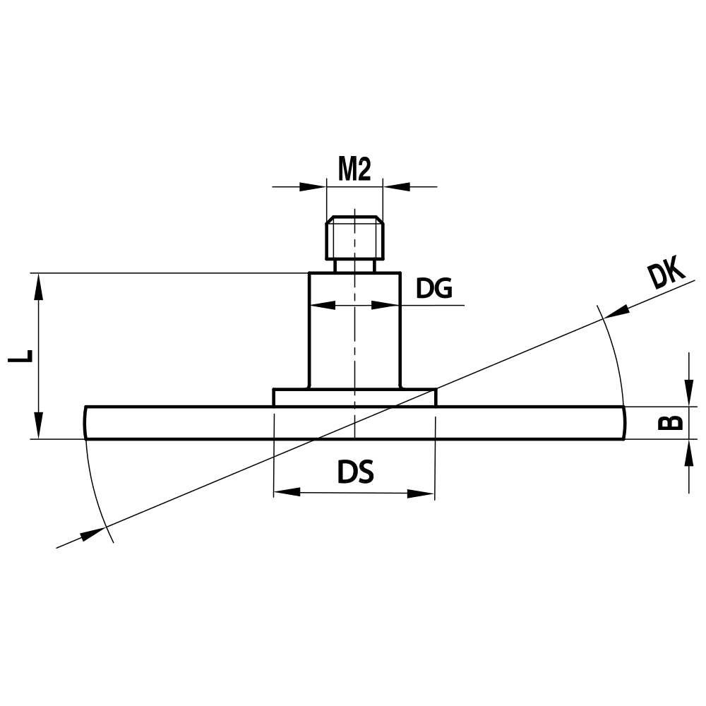
Scheibentaster; Grundkörper: Stahl; Schaft: Stahl; Kugel: Stahl
Bei diesen Modellen handelt es sich um Taster mit einem monolithischen Grundkörper und einer Scheibe aus rostfreiem Stahl. Diese Taster werden häufig zur Messung von Werkstücken aus Werkstoffen mit geringer Härte wie Aluminium, Kunststoffen oder unlegierten Stählen eingesetzt.
Gewindegröße: M2
DK: 18.0
L: 2.0
DG: 3.0
B: 0.8
Grundkörper Material: Stahl
Kugelmaterial: Stahl
Schaftmaterial: Stahl
Gewicht: 1.7
Zeichnung vom Produkt KI M2 008 18 002