KI M2 030 25 M20
ITP P/N:
KIM203025M20
11
Passend zu Zeiss: 000000-1776-473, 626120-0116-000
Passend zu Zeiss: 000000-1776-473, 626120-0116-000
KI M2 030 25 M20
ITP P/N:
KIM203025M20
97,00 €*
Versandfertig in 14 Tagen, Lieferzeit 1-3 Tage
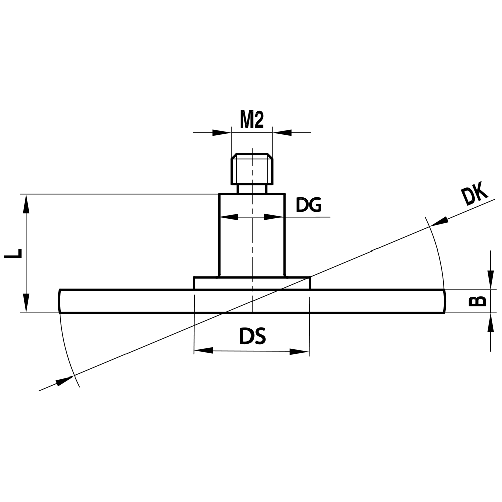
Scheibentaster; Grundkörper: Stahl; Schaft: Stahl; Kugel: Stahl
Bei diesen Modellen handelt es sich um Taster mit einem monolithischen Grundkörper und einer Scheibe aus rostfreiem Stahl. Zusätzlich sind stirnseitig Rubinkugeln angebracht, die z. B. Messungen der Nutbreite ermöglichen. Diese Taster werden häufig zur Messung von Werkstücken aus Werkstoffen mit geringer Härte wie Aluminium, Kunststoffen oder unlegierten Stählen eingesetzt.
| Gewindegröße: | M2 |
|---|---|
| DK: | 25.0 |
| L: | 4.0 |
| DG: | 6.0 |
| B: | 3.0 |
| Grundkörper Material: | Stahl |
| Kugelmaterial: | Stahl |
| Schaftmaterial: | Stahl |
| Gewicht: | 11.4 |
| Kompatibel mit: | Mitutoyo, Renishaw, Zeiss |
| Zeiss Nr.: | 000000-1776-473, 626120-0116-000 |
| Renishaw-Nr.: | A-5000-4187 |
| Mitutoyo-Nr.: | K651082 |