KI M2 080 03 020
ITP P/N:
KIM208003020
11
KI M2 080 03 020
ITP P/N:
KIM208003020
76,00 €*
Versandfertig in 14 Tagen, Lieferzeit 1-3 Tage
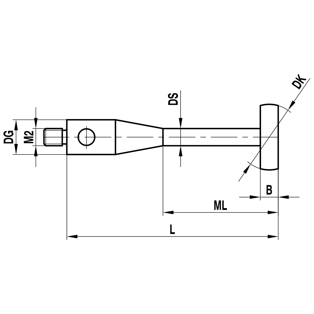
Scheibentaster; Grundkörper: Stahl; Schaft: Hartmetall; Kugel: Stahl
Bei diesen Tastern handelt es sich um Modelle mit einem Schaft aus Hartmetall oder nicht rostendem Stahl sowie einer Scheibe aus rostfreiem Stahl. Sie finden häufig Verwendung bei der Messung von Werkstoffen mit einer geringeren Härte, wie beispielsweise Aluminium, Kunststoffen oder unlegierten Stählen.
| Gewindegröße: | M2 |
|---|---|
| DK: | 8.0 |
| L: | 20.0 |
| DG: | 3.0 |
| ML: | 14.0 |
| DS: | 2.0 |
| B: | 0.5 |
| Grundkörper Material: | Stahl |
| Kugelmaterial: | Stahl |
| Schaftmaterial: | Hartmetall |
| Gewicht: | 1.2 |