KI M2 100 03 020/0,8

ITP P/N: KIM210003020/0,8 11

KI M2 100 03 020/0,8

ITP P/N: KIM210003020/0,8

80,00 €*

Sofort verfügbar, Versandfertig 1-3 Tage


Zu unserem Anfrageformular
Scheibentaster; Grundkörper: Stahl; Schaft: Hartmetall; Kugel: Stahl
Bei diesen Tastern handelt es sich um Modelle mit einem Schaft aus Hartmetall oder nicht rostendem Stahl sowie einer Scheibe aus rostfreiem Stahl. Sie finden häufig Verwendung bei der Messung von Werkstoffen mit einer geringeren Härte, wie beispielsweise Aluminium, Kunststoffen oder unlegierten Stählen.
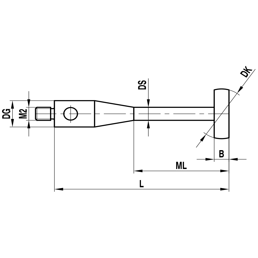
Gewindegröße: M2
DK: 10.0
L: 20.0
DG: 3.0
ML: 14.0
DS: 2.0
B: 0.8
Grundkörper Material: Stahl
Kugelmaterial: Stahl
Schaftmaterial: Hartmetall
Gewicht: 1.4
Zeichnung vom Produkt KI M2 100 03 020/0,8