KI M2 140 20 005
ITP P/N:
KIM214020005
11
Passend zu Zeiss: 602030-8203-000
Passend zu Zeiss: 602030-8203-000
KI M2 140 20 005
ITP P/N:
KIM214020005
109,00 €*
Sofort verfügbar, Versandfertig 1-3 Tage
Scheibentaster; Grundkörper: Stahl; Schaft: Stahl; Kugel: Keramik
Bei diesen Modellen handelt es sich um Taster mit einem monolithischen Grundkörper aus rostfreiem Stahl und einer Scheibe aus Keramik. Keramik weist vergleichbare Eigenschaften mit Rubin auf und eignet sich daher für das Messen von Werkstücken aus einer Vielzahl von Werkstoffen.
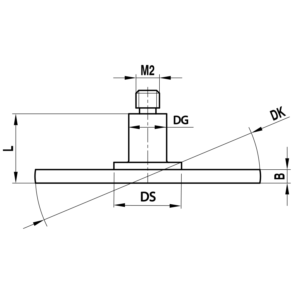
| Gewindegröße: | M2 |
|---|---|
| DK: | 14.0 |
| L: | 5.0 |
| DG: | 3.0 |
| DS: | 5.0 |
| B: | 2.0 |
| Grundkörper Material: | Stahl |
| Kugelmaterial: | Keramik |
| Schaftmaterial: | Stahl |
| Gewicht: | 1.6 |
| Kompatibel mit: | Renishaw, Zeiss |
| Zeiss Nr.: | 602030-8203-000 |
| Renishaw-Nr.: | A-5555-0299 |