KI M5 100 07 021
ITP P/N:
KIM510007021
11
Passend zu Zeiss: 600341-8090-000
Passend zu Zeiss: 600341-8090-000
KI M5 100 07 021
ITP P/N:
KIM510007021
104,00 €*
Versandfertig in 14 Tagen, Lieferzeit 1-3 Tage
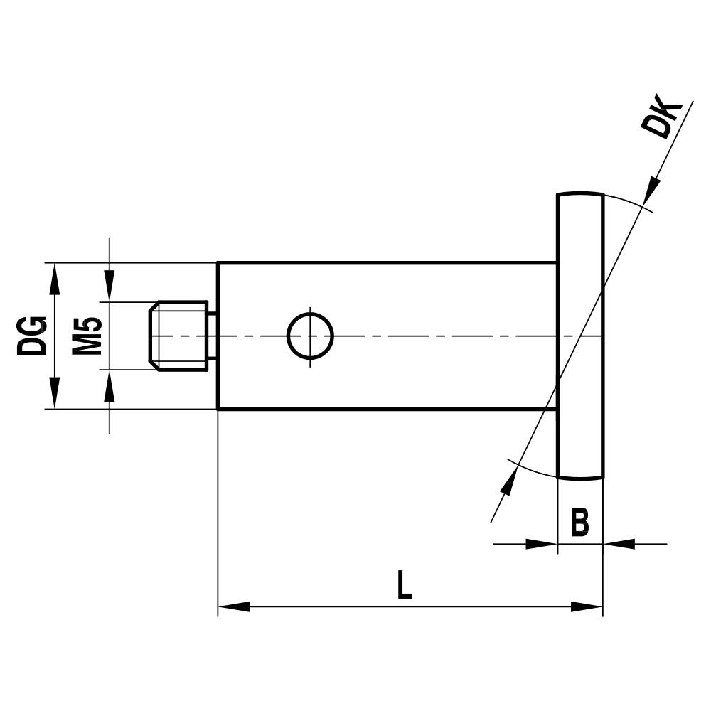
Scheibentaster; Grundkörper: Titan; Schaft: Titan; Kugel: Stahl
Bei diesen Modellen handelt es sich um Taster mit einem monolithischen Grundkörper aus Titan und einer Scheibe aus rostfreiem Stahl. Diese Taster werden häufig zur Messung von Werkstücken aus Werkstoffen mit geringer Härte wie Aluminium, Kunststoffen oder unlegierten Stählen eingesetzt.
| Gewindegröße: | M5 |
|---|---|
| DK: | 10.0 |
| L: | 21.5 |
| DG: | 7.0 |
| B: | 1.5 |
| Grundkörper Material: | Titan |
| Kugelmaterial: | Stahl |
| Gewicht: | 3.5 |
| Kompatibel mit: | Renishaw, Zeiss |
| Zeiss Nr.: | 600341-8090-000 |
| Renishaw-Nr.: | A-5555-0121 |