KI M5 150 10 021
ITP P/N:
KIM515010021
11
Passend zu Zeiss: 600341-8095-000
Passend zu Zeiss: 600341-8095-000
KI M5 150 10 021
ITP P/N:
KIM515010021
106,00 €*
Sofort verfügbar, Versandfertig 1-3 Tage
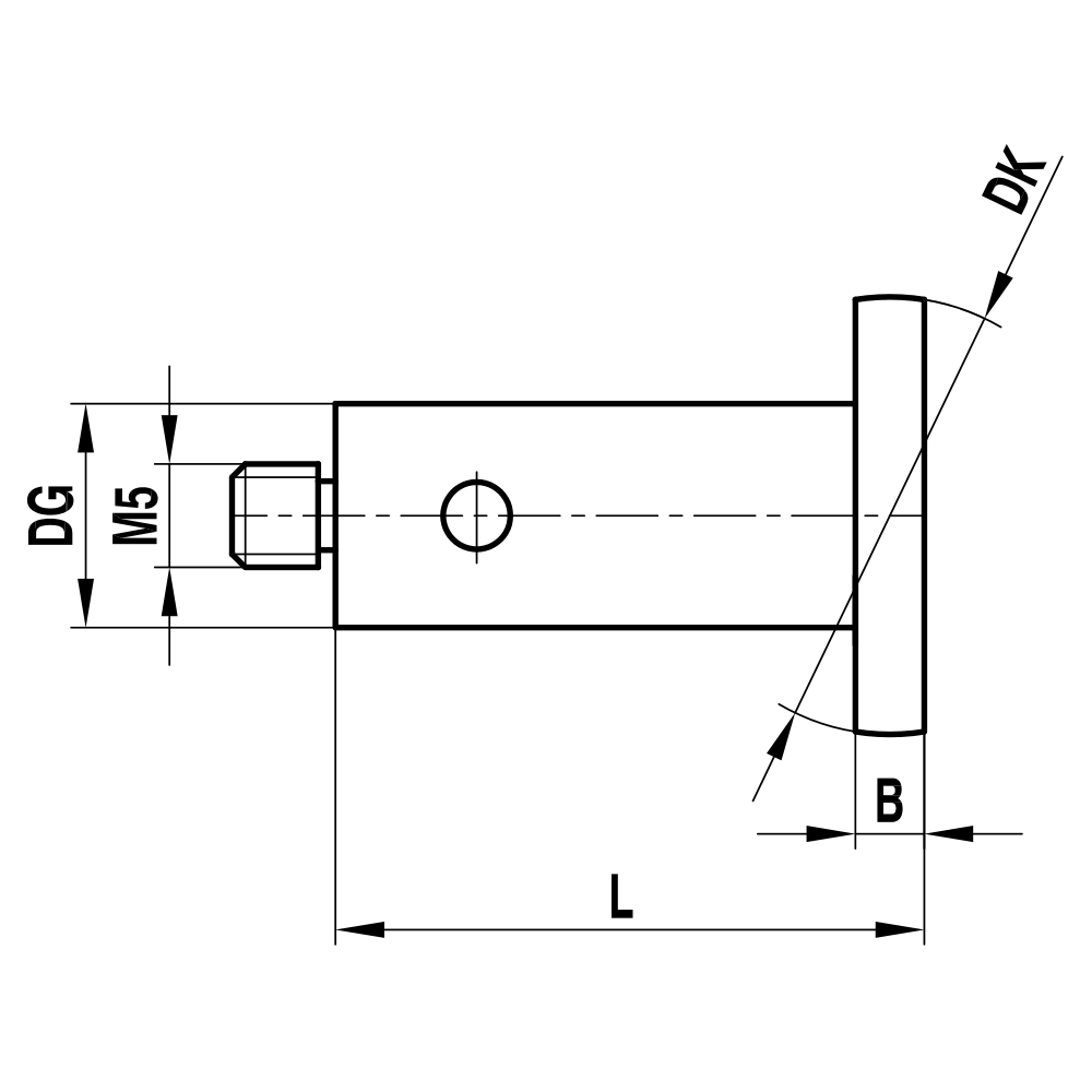
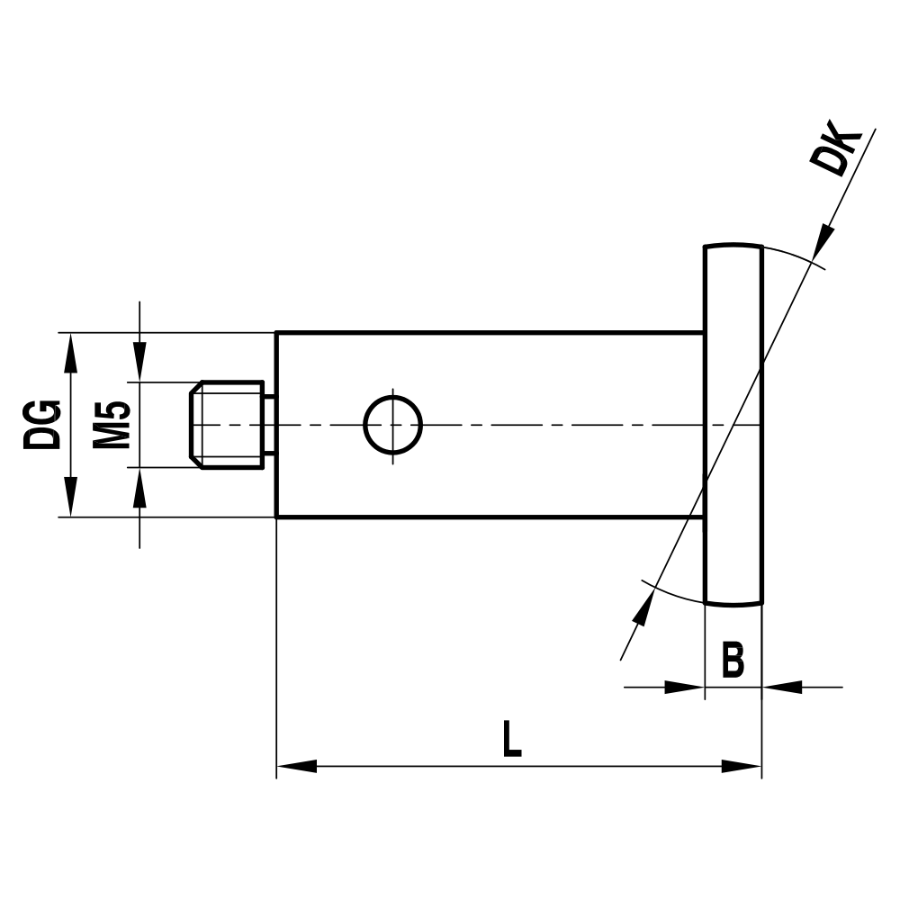
Scheibentaster; Grundkörper: Titan; Schaft: Titan; Kugel: Stahl
Bei diesen Modellen handelt es sich um Taster mit einem monolithischen Grundkörper aus Titan und einer Scheibe aus rostfreiem Stahl. Diese Taster werden häufig zur Messung von Werkstücken aus Werkstoffen mit geringer Härte wie Aluminium, Kunststoffen oder unlegierten Stählen eingesetzt.
| Gewindegröße: | M5 |
|---|---|
| DK: | 15.0 |
| L: | 21.5 |
| DG: | 10.0 |
| B: | 1.5 |
| Grundkörper Material: | Titan |
| Kugelmaterial: | Stahl |
| Gewicht: | 6.2 |
| Kompatibel mit: | Renishaw, Zeiss |
| Zeiss Nr.: | 600341-8095-000 |
| Renishaw-Nr.: | A-5555-0122 |