KK M5 010 10 017
ITP P/N:
KKM501010017
11
Passend zu Zeiss: 600341-8183-000, 600341-8163-000
Passend zu Zeiss: 600341-8183-000, 600341-8163-000
KK M5 010 10 017
ITP P/N:
KKM501010017
44,00 €*
Sofort verfügbar, Versandfertig 1-3 Tage
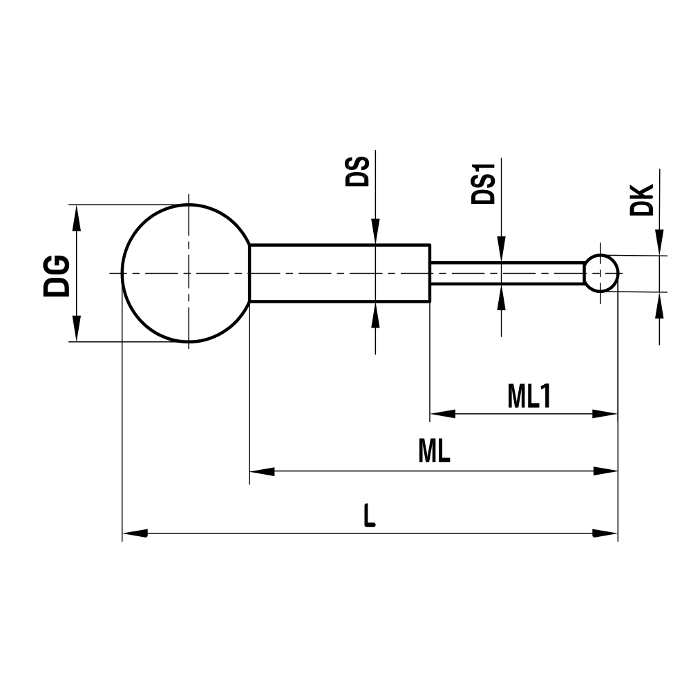
Gerade Taster; Schaft: Hartmetall; Kugel: Rubin
Gerader Taster, der in Kombination mit KIM502211040 verwendet wird.
Durch die kugelgelagerte Klemmung kann ein beliebiger Winkel im Handumdrehen eingestellt werden.
Als Antastelement stehen Rubinkugeln zur Verfügung.
| Gewindegröße: | M5 |
|---|---|
| DK: | 1.0 |
| L: | 17.5 |
| DG: | 4.0 |
| ML: | 13.5 |
| ML (1): | 5.0 |
| DS: | 1.0 |
| DS (1): | 0.8 |
| Kugelmaterial: | Rubin |
| Schaftmaterial: | Hartmetall |
| Gewicht: | 0.4 |
| Kompatibel mit: | Renishaw, Zeiss |
| Zeiss Nr.: | 600341-8183-000, 600341-8163-000 |
| Renishaw-Nr.: | A-5555-0119 |