KT M5 010 02 022
ITP P/N:
KTM501002022
11
KT M5 010 02 022
ITP P/N:
KTM501002022
56,00 €*
Sofort verfügbar, Versandfertig 1-3 Tage
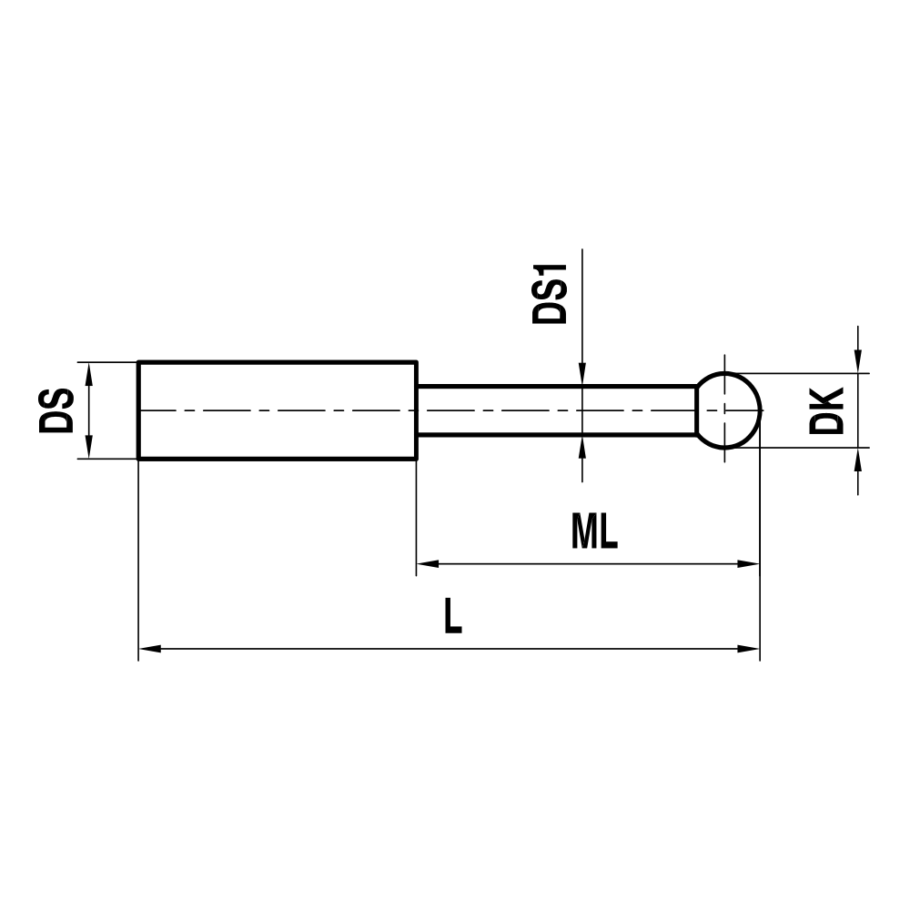
Gerade Taster; Schaft: Hartmetall; Kugel: Rubin
Gerader Taststift ohne Gewindeanschluss, was einer hohe Flexibilität ermöglicht. Der Schaft aus Hartmetall kann ein- oder mehrfach abgestuft sein. Für die Verwendung dieser Taststifte sind entsprechende Klemmhalter erforderlich.
In dieser Ausfürung stehen Taster mit Rubinkugeln Ø0,2mm bis 5,0mm zur Auswahl. Andere Größen können über den Konfigurator oder per E-Mail angefragt werden.
| Gewindegröße: | ohne |
|---|---|
| DK: | 1.0 |
| L: | 22.5 |
| ML: | 4.5 |
| DS: | 2.0 |
| DS (1): | 0.8 |
| Kugelmaterial: | Rubin |
| Schaftmaterial: | Hartmetall |
| Gewicht: | 0.8 |
| Kompatibel mit: | Hexagon |
| Hexagon-Nr.: | M00-694-062-005 |