KT M5 010 04 060

ITP P/N: KTM501004060 11

KT M5 010 04 060

ITP P/N: KTM501004060

103,00 €*

Sofort verfügbar, Versandfertig 1-3 Tage


Zu unserem Anfrageformular
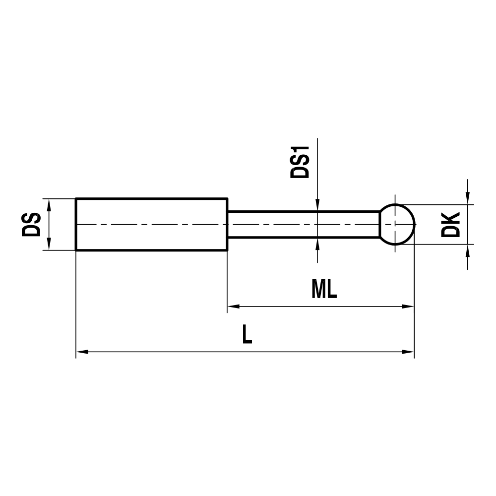
Gerade Taster; Schaft: Hartmetall; Kugel: Rubin
Gerader Taststift ohne Gewindeanschluss, was einer hohe Flexibilität ermöglicht. Der Schaft aus Hartmetall kann ein- oder mehrfach abgestuft sein. Für die Verwendung dieser Taststifte sind entsprechende Klemmhalter erforderlich. In dieser Ausfürung stehen Taster mit Rubinkugeln Ø0,2mm bis 5,0mm zur Auswahl. Andere Größen können über den Konfigurator oder per E-Mail angefragt werden.
Gewindegröße: ohne
DK: 1.0
L: 60.5
ML: 5.0
DS: 4.0
DS (1): 0.8
Kugelmaterial: Rubin
Schaftmaterial: Hartmetall
Gewicht: 9.1
Zeichnung vom Produkt KT M5 010 04 060