LH M5 030 19 034
ITP P/N:
LHM503019034
11
Passend zu Zeiss: 600342-8221-000
Passend zu Zeiss: 600342-8221-000
LH M5 030 19 034
ITP P/N:
LHM503019034
40,00 €*
Sofort verfügbar, Versandfertig 1-3 Tage
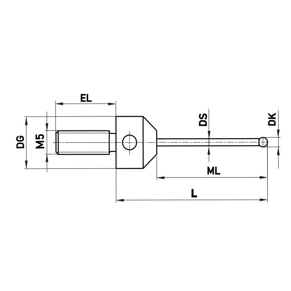
Gerade Taster; Grundkörper: Stahl; Schaft: Hartmetall; Kugel: Rubin
Gerader Taster mit verlängertem Gewinde zur Montage von Scheiben- und Sterntastern. Zur Herstellung von Sterntastern werden Nut- und Klemmscheiben benötigt.
Der Hartmetallschaft mit seiner extremen Steifigkeit ermöglicht eine große Abmessungsvielfalt.
Für diese Taster werden Rubinkugeln höchster Qualität von Ø1,35mm bis Ø5,0mm verwendet.
Weitere Abmessungen können über den Konfigurator oder per E-Mail angefragt werden.
| Gewindegröße: | M5 |
|---|---|
| DK: | 3.0 |
| L: | 34.5 |
| DG: | 19.0 |
| EL: | 20.0 |
| ML: | 16.5 |
| DS: | 2.0 |
| Grundkörper Material: | Stahl |
| Kugelmaterial: | Rubin |
| Schaftmaterial: | Hartmetall |
| Gewicht: | 20.6 |
| Kompatibel mit: | Renishaw, Zeiss |
| Zeiss Nr.: | 600342-8221-000 |
| Renishaw-Nr.: | A-5555-0082 |