SC M3 S30 05 020
ITP P/N:
SCM3S3005020
11
Passend zu Zeiss: 626103-0312-020, 626103-0311-020
Passend zu Zeiss: 626103-0312-020, 626103-0311-020
SC M3 S30 05 020
ITP P/N:
SCM3S3005020
99,00 €*
Versandfertig in 14 Tagen, Lieferzeit 1-3 Tage
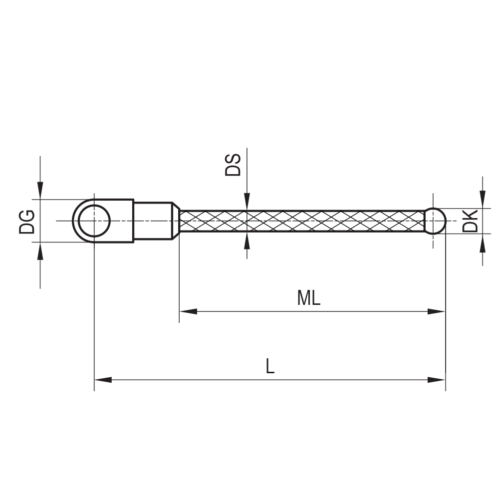
Sterntaster; Grundkörper: Titan; Schaft: Kohlefaser; Kugel: Siliziumnitrid
1/4 Sterntaster werden in Kombination mit Verlängerungen aus dem M3 XXT Programm zur Erstellung von L-förmigen Tastern verwendet. Der Schaft aus Kohlefaser bietet eine hohe Steifigkeit bei geringem Gewicht. Als Antastelement steht eine hochpräzise Siliziumnitridkugel zur Verfügung. Zum Klemmen kann eine Spezialschraube wie z.B. SIM300005008 verwendet werden.
| Gewindegröße: | M3 XXT |
|---|---|
| DK: | 3.0 |
| L: | 20.5 |
| DG: | 5.0 |
| ML: | 11.0 |
| DS: | 2.0 |
| Grundkörper Material: | Titan |
| Kugelmaterial: | Siliziumnitrid |
| Schaftmaterial: | Kohlefaser |
| Gewicht: | 0.8 |
| Kompatibel mit: | Zeiss |
| Zeiss Nr.: | 626103-0312-020, 626103-0311-020 |