SC M3 S30 05 040/180°
ITP P/N:
SCM3S3005040/180°
11
Passend zu Zeiss: 626103-0314-040, 626103-3014-040
Passend zu Zeiss: 626103-0314-040, 626103-3014-040
SC M3 S30 05 040/180°
ITP P/N:
SCM3S3005040/180°
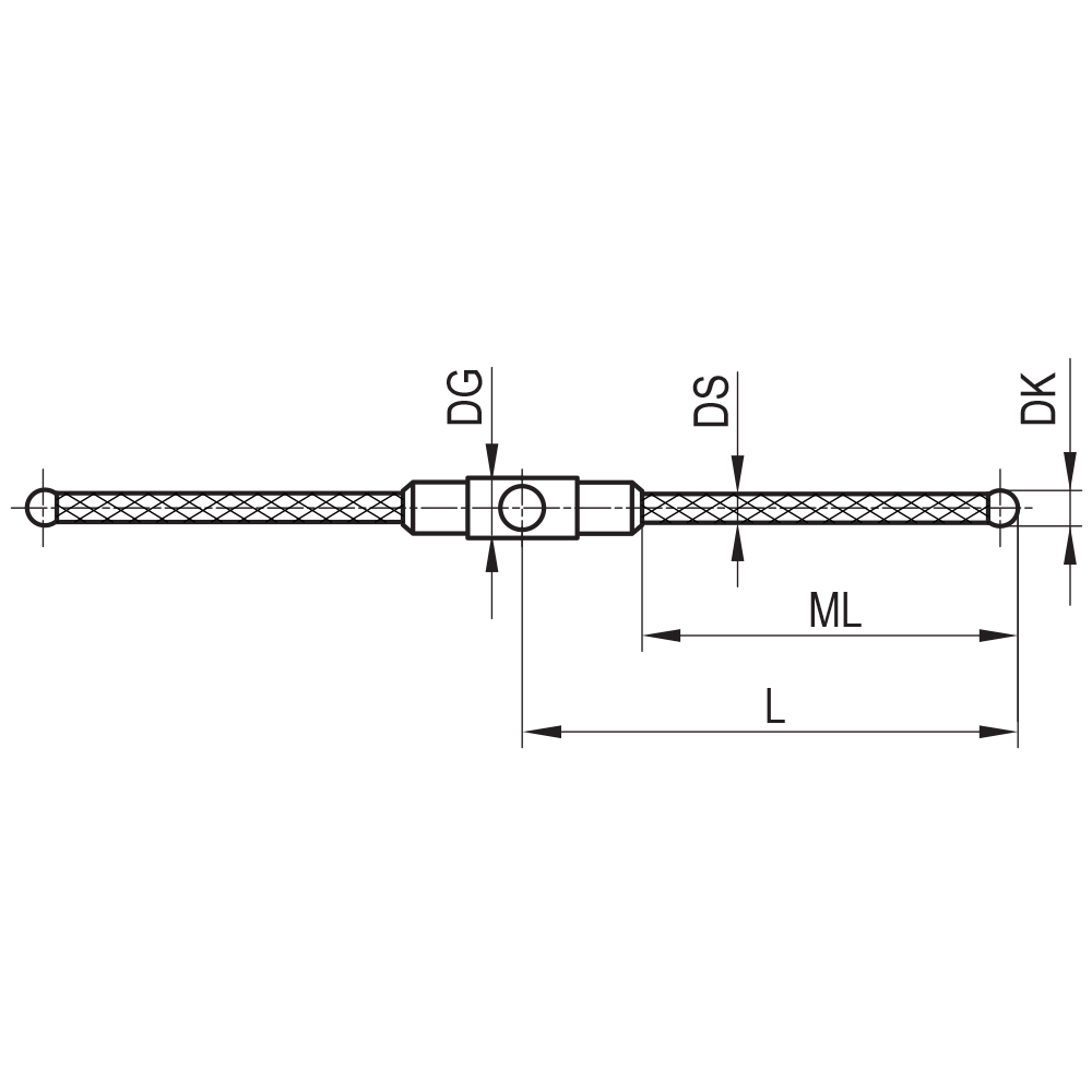
Sterntaster; Grundkörper: Titan; Schaft: Kohlefaser; Kugel: Siliziumnitrid
1/2 Sterntaster werden in Kombination mit Verlängerungen aus dem M3 XXT Programm zur Erstellung von 2-armigen Tastern verwendet.
Die beiden Tastarme sind in einem Winkel von 180° zueinander angeordnet. Der Schaft aus Kohlefaser ermöglicht eine sehr hohe Steifigkeit bei geringem Gewicht. Als Antastelement steht eine hochpräzise Siliziumnitridkugel zur Verfügung. Zum Klemmen kann eine Spezialschraube wie z.B. SIM300005008 verwendet werden.
| Gewindegröße: | M3 XXT |
|---|---|
| DK: | 3.0 |
| L: | 40.0 |
| DG: | 5.0 |
| ML: | 31.0 |
| DS: | 2.0 |
| Grundkörper Material: | Titan |
| Kugelmaterial: | Siliziumnitrid |
| Schaftmaterial: | Kohlefaser |
| Gewicht: | 1.7 |
| Kompatibel mit: | Zeiss |
| Zeiss Nr.: | 626103-0314-040, 626103-3014-040 |