SI M2 005 05 020
ITP P/N:
SIM200505020
11
Passend zu Zeiss: 000000-1776-940
Passend zu Zeiss: 000000-1776-940
SI M2 005 05 020
ITP P/N:
SIM200505020
181,00 €*
Versandfertig in 14 Tagen, Lieferzeit 1-3 Tage
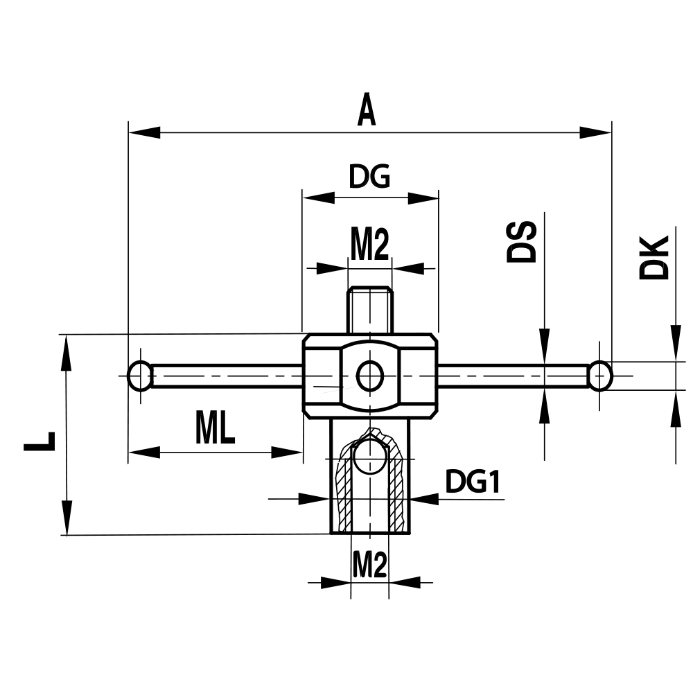
Sterntaster; Grundkörper: Stahl; Schaft: Stahl; Kugel: Rubin
Bei den Sterntastern dieser Produktgruppe handelt es sich um Taster mit 4 fest montierten Taststiften. Die Klemmschraube dient zur Fixierung des rotierenden Sterns. Als Zusatzfunktion ist die Aufnahme eines weiteren Axialtasters vorgesehen. Es kann ein beliebiger Messtaster aus dem Programm M2 verwendet werden.
Gewindegröße: | M2 |
---|---|
DK: | 0.5 |
L: | 7.5 |
DG: | 5.0 |
DG (1): | 3.0 |
ML: | 7.75 |
DS: | 0.3 |
A: | 20.5 |
Grundkörper Material: | Stahl |
Kompatibel mit: | Hexagon, Zeiss |
Kugelmaterial: | Rubin |
Schaftmaterial: | Hartmetall |
Gewicht: | 0.7 |
Zeiss Nr.: | 000000-1776-940 |
Renishaw-Nr.: | A-5003-4787 |
Hexagon-Nr.: | 03969210 |
