SI M2 010 05 011
ITP P/N:
SIM201005011
11
Passend zu Zeiss: 000000-1776-469, 626120-0181
Passend zu Zeiss: 000000-1776-469, 626120-0181
SI M2 010 05 011
ITP P/N:
SIM201005011
169,00 €*
Sofort verfügbar, Versandfertig 1-3 Tage
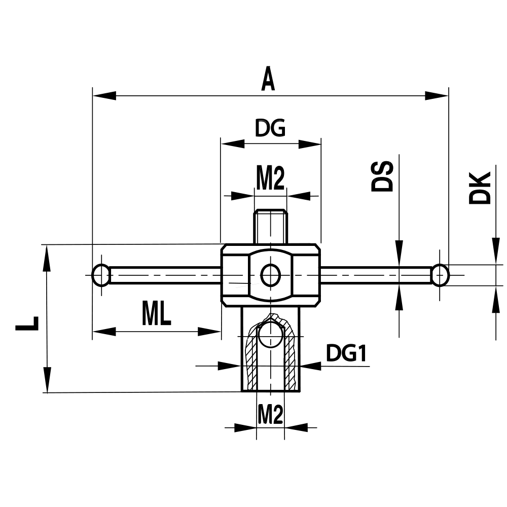
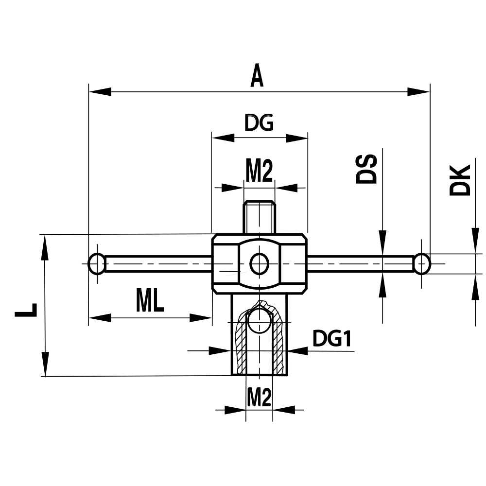
Sterntaster; Grundkörper: Stahl; Schaft: Hartmetall; Kugel: Rubin
Bei den Sterntastern dieser Produktgruppe handelt es sich um Taster mit 4 fest montierten Taststiften. Die Klemmschraube dient zur Fixierung des rotierenden Sterns. Als Zusatzfunktion ist die Aufnahme eines weiteren Axialtasters vorgesehen. Es kann ein beliebiger Messtaster aus dem Programm M2 verwendet werden.
| Gewindegröße: | M2 |
|---|---|
| DK: | 1.0 |
| L: | 7.5 |
| DG: | 5.0 |
| DG (1): | 3.0 |
| ML: | 3.0 |
| DS: | 0.7 |
| A: | 11.0 |
| Grundkörper Material: | Stahl |
| Kugelmaterial: | Rubin |
| Schaftmaterial: | Hartmetall |
| Gewicht: | 0.7 |
| Kompatibel mit: | Mitutoyo, Renishaw, Zeiss |
| Zeiss Nr.: | 000000-1776-469, 626120-0181 |
| Renishaw-Nr.: | A-5000-7811 |
| Mitutoyo-Nr.: | K651052 |