TC M5 030 10 031
ITP P/N:
TCM503010031
11
TC M5 030 10 031
ITP P/N:
TCM503010031
52,00 €*
Sofort verfügbar, Versandfertig 1-3 Tage
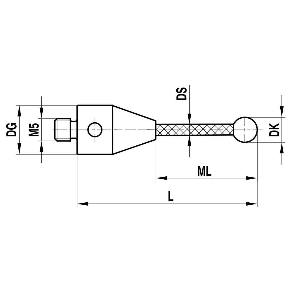
Gerade Taster; Grundkörper: Titan; Schaft: Kohlefaser; Kugel: Rubin
Gerader Taster mit geringem Gewicht und extremer Steifigkeit.
Der Schaft aus Kohlefaser mit seinen hervorragenden physikalischen Eigenschaften wird hauptsächlich für Taster mit Überlänge verwendet.
Für diese Taster werden Rubinkugeln höchster Qualität von Ø3,0mm bis Ø12,0mm verwendet.
Andere Abmessungen können über den Konfigurator oder per E-Mail angefragt werden.
| Gewindegröße: | M5 |
|---|---|
| DK: | 3.0 |
| L: | 31.5 |
| DG: | 10.0 |
| ML: | 22.5 |
| DS: | 2.0 |
| Grundkörper Material: | Titan |
| Kugelmaterial: | Rubin |
| Schaftmaterial: | Kohlefaser |
| Gewicht: | 2.6 |
| Name | Dateiname |
|---|---|
| CAD-Daten | TCM503010031.stp |