TC M5 100 11 118
ITP P/N:
TCM510011118
11
Passend zu Zeiss: 626105-1020-118
Passend zu Zeiss: 626105-1020-118
TC M5 100 11 118
ITP P/N:
TCM510011118
95,00 €*
Sofort verfügbar, Versandfertig 1-3 Tage
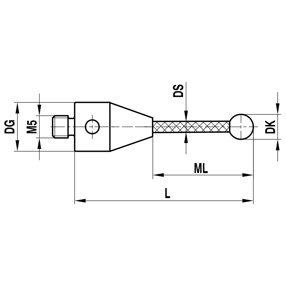
Gerade Taster; Grundkörper: Titan; Schaft: Kohlefaser; Kugel: Rubin
Gerader Taster mit geringem Gewicht und extremer Steifigkeit.
Der Schaft aus Kohlefaser mit seinen hervorragenden physikalischen Eigenschaften wird hauptsächlich für Taster mit Überlänge verwendet.
Für diese Taster werden Rubinkugeln höchster Qualität von Ø3,0mm bis Ø12,0mm verwendet.
Andere Abmessungen können über den Konfigurator oder per E-Mail angefragt werden.
Gewindegröße: | M5 |
---|---|
DK: | 10.0 |
L: | 118.0 |
DG: | 11.0 |
ML: | 105.0 |
DS: | 6.0 |
Grundkörper Material: | Titan |
Kompatibel mit: | Zeiss |
Kugelmaterial: | Rubin |
Schaftmaterial: | Kohlefaser |
Gewicht: | 10.7 |
Zeiss Nr.: | 626105-1020-118 |
