TC M5 S80 11 114
ITP P/N:
TCM5S8011114
11
Passend zu Zeiss: 626105-0821-114
Passend zu Zeiss: 626105-0821-114
TC M5 S80 11 114
ITP P/N:
TCM5S8011114
92,00 €*
Sofort verfügbar, Versandfertig 1-3 Tage
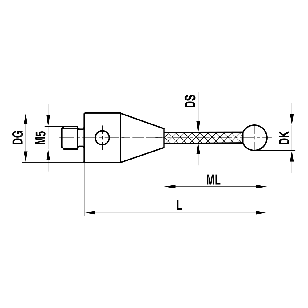
Gerade Taster; Grundkörper: Titan; Schaft: Kohlefaser; Kugel: Siliziumnitrid
Gerader Taster mit geringem Gewicht und extremer Steifigkeit.
Der Schaft aus Kohlefaser mit seinen hervorragenden physikalischen Eigenschaften wird hauptsächlich für Taster mit Überlänge verwendet.
Die Kugeln aus Siliziumnitrid eignen sich besonders zum Scannen von Werkstücken aus unbehandeltem Aluminium.
Andere Abmessungen können über den Konfigurator oder per E-Mail angefragt werden.
| Gewindegröße: | M5 |
|---|---|
| DK: | 8.0 |
| L: | 114.5 |
| DG: | 11.0 |
| ML: | 101.5 |
| DS: | 6.0 |
| Grundkörper Material: | Titan |
| Kugelmaterial: | Siliziumnitrid |
| Schaftmaterial: | Kohlefaser |
| Gewicht: | 9.4 |
| Kompatibel mit: | Zeiss |
| Zeiss Nr.: | 626105-0821-114 |