TC M5 S80 11 200
ITP P/N:
TCM5S8011200
11
Passend zu Zeiss: 626105-821-200, 626105-0821-200
Passend zu Zeiss: 626105-821-200, 626105-0821-200
TC M5 S80 11 200
ITP P/N:
TCM5S8011200
125,00 €*
Sofort verfügbar, Versandfertig 1-3 Tage
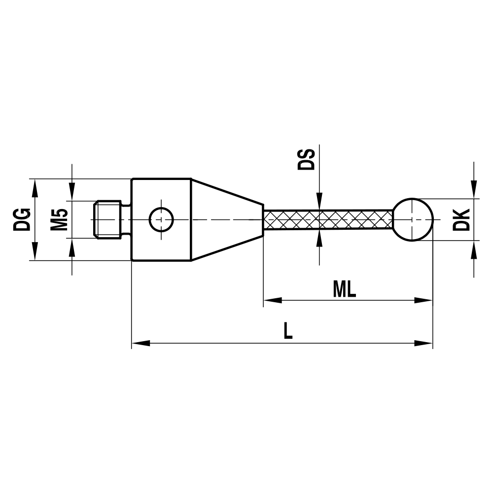
Gerade Taster; Grundkörper: Titan; Schaft: Kohlefaser; Kugel: Siliziumnitrid
Gerader Taster mit geringem Gewicht und extremer Steifigkeit.
Der Schaft aus Kohlefaser mit seinen hervorragenden physikalischen Eigenschaften wird hauptsächlich für Taster mit Überlänge verwendet.
Die Kugeln aus Siliziumnitrid eignen sich besonders zum Scannen von Werkstücken aus unbehandeltem Aluminium.
Andere Abmessungen können über den Konfigurator oder per E-Mail angefragt werden.
| Gewindegröße: | M5 |
|---|---|
| DK: | 8.0 |
| L: | 200.0 |
| DG: | 11.0 |
| ML: | 187.0 |
| DS: | 6.0 |
| Grundkörper Material: | Titan |
| Kugelmaterial: | Siliziumnitrid |
| Schaftmaterial: | Kohlefaser |
| Gewicht: | 13.7 |
| Kompatibel mit: | Zeiss |
| Zeiss Nr.: | 626105-821-200, 626105-0821-200 |