TC M5 Z40 10 022
ITP P/N:
TCM5Z4010022
11
TC M5 Z40 10 022
ITP P/N:
TCM5Z4010022
75,00 €*
Sofort verfügbar, Versandfertig 1-3 Tage
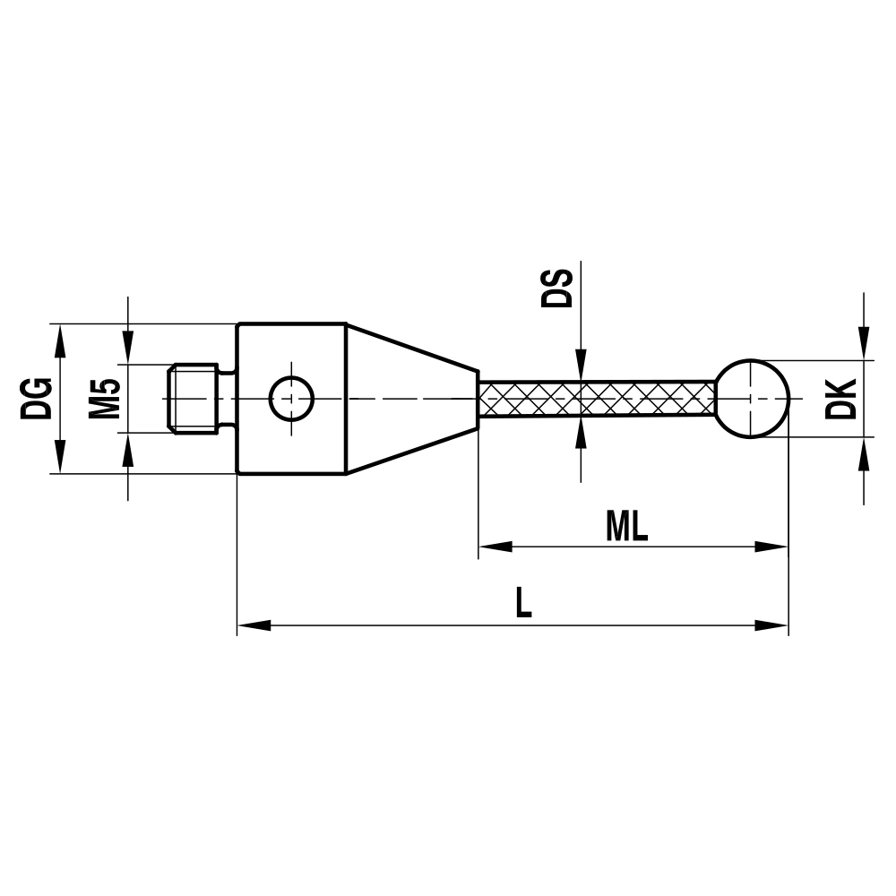
Gerade Taster; Grundkörper: Titan; Schaft: Kohlefaser; Kugel: Zirkonoxid
Gerader Taster mit geringem Gewicht und extremer Steifigkeit.
Der Schaft aus Kohlefaser mit seinen hervorragenden physikalischen Eigenschaften wird hauptsächlich für Taster mit Überlänge verwendet.
Zirkonoxidkugeln werden bevorzugt zum Scannen von abrasieven Oberflächen wie z.B. Stahlguss eingesetzt.
| Gewindegröße: | M5 |
|---|---|
| DK: | 4.0 |
| L: | 22.0 |
| DG: | 10.0 |
| ML: | 13.0 |
| DS: | 2.0 |
| Grundkörper Material: | Titan |
| Kugelmaterial: | Zirkonoxid |
| Schaftmaterial: | Kohlefaser |
| Gewicht: | 2.8 |
| Kompatibel mit: | Renishaw |
| Renishaw-Nr.: | A-5003-5747 |