TC M5 Z60 10 053
ITP P/N:
TCM5Z6010053
11
TC M5 Z60 10 053
ITP P/N:
TCM5Z6010053
108,00 €*
Sofort verfügbar, Versandfertig 1-3 Tage
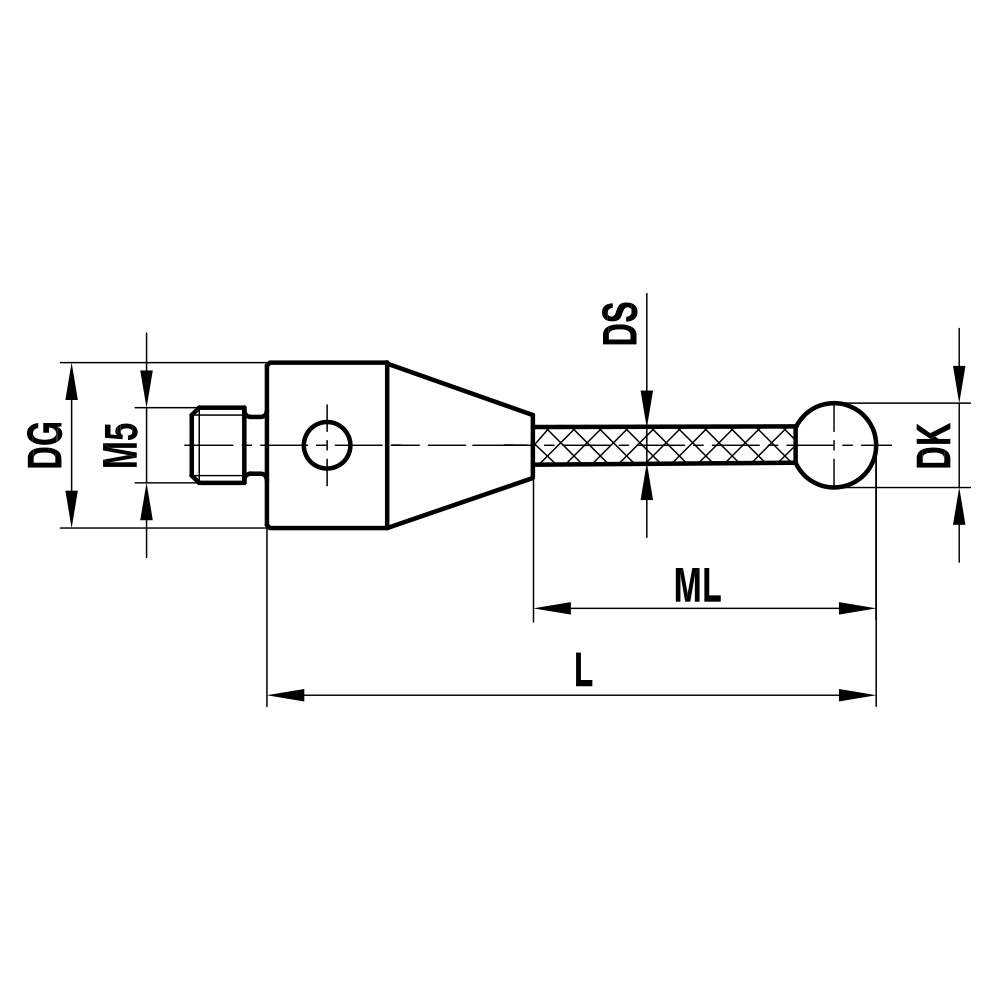
Gerade Taster; Grundkörper: Titan; Schaft: Kohlefaser; Kugel: Zirkonoxid
Gerader Taster mit geringem Gewicht und extremer Steifigkeit.
Der Schaft aus Kohlefaser mit seinen hervorragenden physikalischen Eigenschaften wird hauptsächlich für Taster mit Überlänge verwendet.
Zirkonoxidkugeln werden bevorzugt zum Scannen von abrasieven Oberflächen wie z.B. Stahlguss eingesetzt.
Gewindegröße: | M5 |
---|---|
DK: | 6.0 |
L: | 53.0 |
DG: | 10.0 |
ML: | 42.0 |
DS: | 4.0 |
Grundkörper Material: | Titan |
Kugelmaterial: | Zirkonoxid |
Schaftmaterial: | Kohlefaser |
Gewicht: | 4.3 |
Renishaw-Nr.: | A-5003-5748 |
