TH M2 002 03 010
ITP P/N:
THM200203010
11
TH M2 002 03 010
ITP P/N:
THM200203010
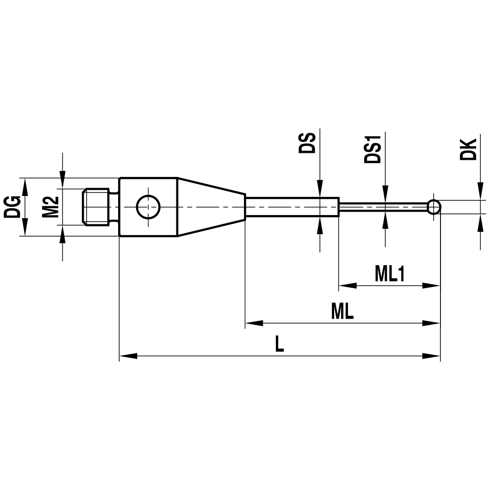
Gerade Taster; Grundkörper: Stahl; Schaft: Hartmetall; Kugel: Rubin
Gerader Taster für den täglichen Standardeinsatz.
Der extrem steife Hartmetallschaft ermöglicht eine große Abmessungsvielfalt. Der Schaft kann ein- oder mehrstufig ausgeführt werden.
Für diese Taster werden Rubinkugeln höchster Qualität ab Ø0,2mm bis Ø1,0mm verwendet.
Weitere Größen können über den Konfigurator oder per E-Mail angefragt werden.
Gewindegröße: | M2 |
---|---|
DK: | 0.2 |
L: | 10.15 |
DG: | 3.0 |
ML: | 4.15 |
ML (1): | 2.3 |
DS: | 1.0 |
DS (1): | 0.18 |
Grundkörper Material: | Stahl |
Kugelmaterial: | Rubin |
Schaftmaterial: | Hartmetall |
Gewicht: | 0.3 |
Renishaw-Nr.: | A-5003-8620 |
