TH M2 0025 03 010
ITP P/N:
THM2002503010
11
TH M2 0025 03 010
ITP P/N:
THM2002503010
169,00 €*
Sofort verfügbar, Versandfertig 1-3 Tage
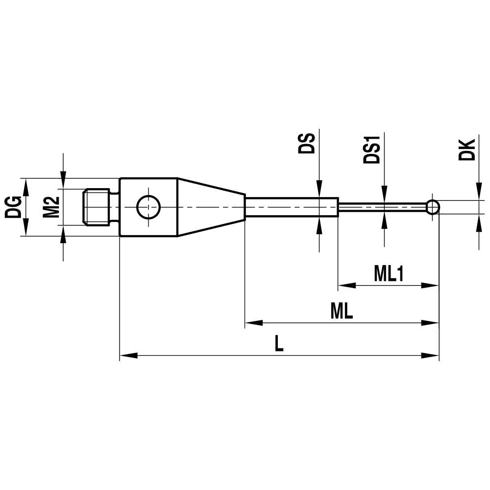
Gerade Taster; Grundkörper: Stahl; Schaft: Hartmetall; Kugel: Rubin
Gerader Taster für den täglichen Standardeinsatz.
Der extrem steife Hartmetallschaft ermöglicht eine große Abmessungsvielfalt. Der Schaft kann ein- oder mehrstufig ausgeführt werden.
Für diese Taster werden Rubinkugeln höchster Qualität ab Ø0,2mm bis Ø1,0mm verwendet.
Weitere Größen können über den Konfigurator oder per E-Mail angefragt werden.
| Gewindegröße: | M2 |
|---|---|
| DK: | 0.25 |
| L: | 10.15 |
| DG: | 3.0 |
| ML: | 4.15 |
| ML (1): | 2.3 |
| DS: | 1.0 |
| DS (1): | 0.18 |
| Grundkörper Material: | Stahl |
| Kugelmaterial: | Rubin |
| Schaftmaterial: | Hartmetall |
| Gewicht: | 0.3 |