TH M2 020 03 011
ITP P/N:
THM202003011
11
Passend zu Zeiss: 602030-8008-000
Passend zu Zeiss: 602030-8008-000
TH M2 020 03 011
ITP P/N:
THM202003011
19,00 €*
Sofort verfügbar, Versandfertig 1-3 Tage
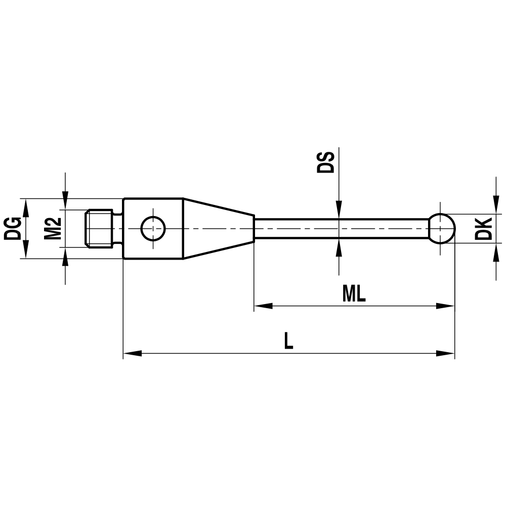
Gerade Taster; Grundkörper: Stahl; Schaft: Hartmetall; Kugel: Rubin
Gerader Taster für den täglichen Standardeinsatz.
Der Hartmetallschaft mit seiner extremen Steifigkeit ermöglicht eine große Abmessungsvielfalt. Für diese Taster werden Rubinkugeln höchster Qualität ab Ø0,5mm bis Ø5,0mm verwendet.
Weitere Größen können über den Konfigurator oder per E-Mail angefragt werden.
| Gewindegröße: | M2 |
|---|---|
| DK: | 2.0 |
| L: | 11.0 |
| DG: | 3.0 |
| ML: | 7.0 |
| DS: | 1.0 |
| Grundkörper Material: | Stahl |
| Kugelmaterial: | Rubin |
| Schaftmaterial: | Hartmetall |
| Gewicht: | 0.3 |
| Kompatibel mit: | Renishaw, Zeiss |
| Zeiss Nr.: | 602030-8008-000 |
| Renishaw-Nr.: | A-5555-0310 |