TH M2 S10 03 027

ITP P/N: THM2S1003027 11

TH M2 S10 03 027

ITP P/N: THM2S1003027

52,00 €*

Sofort verfügbar, Versandfertig 1-3 Tage


Zu unserem Anfrageformular
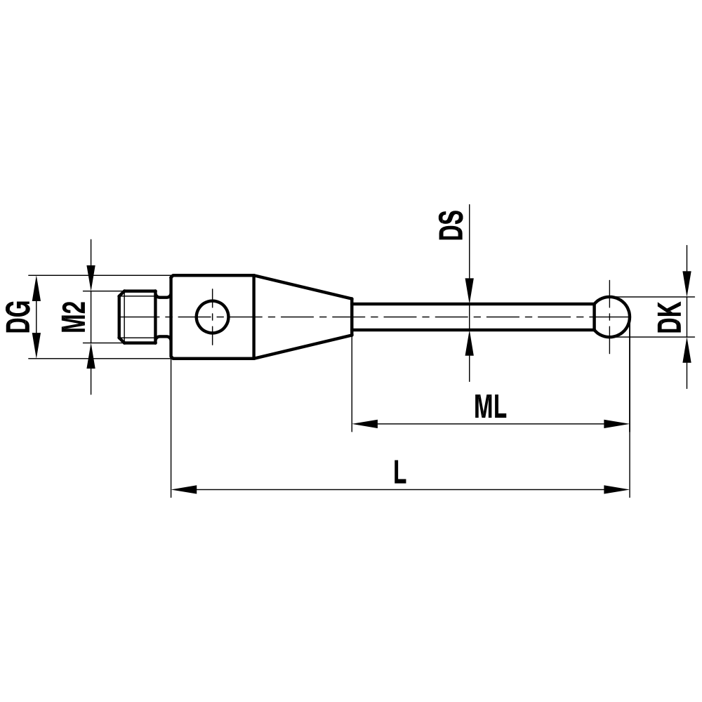
Gerade Taster; Grundkörper: Stahl; Schaft: Hartmetall; Kugel: Siliziumnitrid
Gerader Taster für den täglichen Standardeinsatz. Der Hartmetallschaft mit seiner extremen Steifigkeit ermöglicht eine große Abmessungsvielfalt. Die Kugeln aus Siliziumnitrid empfehlen sich besonders für das Scannen von Werkstücken aus unbehandeltem Aluminium. In dieser Produktgruppe finden Sie die Taster mit den Kugelgrößen von Ø1,0mm bis Ø5,0mm. Weitere Größen können über den Konfigurator oder per E-Mail angefragt werden.
Gewindegröße: M2
DK: 1.0
L: 27.5
DG: 3.0
ML: 20.5
DS: 0.7
Grundkörper Material: Stahl
Kugelmaterial: Siliziumnitrid
Schaftmaterial: Hartmetall
Gewicht: 0.4
Zeichnung vom Produkt TH M2 S10 03 027