TH M2 S30 03 051
ITP P/N:
THM2S3003051
11
TH M2 S30 03 051
ITP P/N:
THM2S3003051
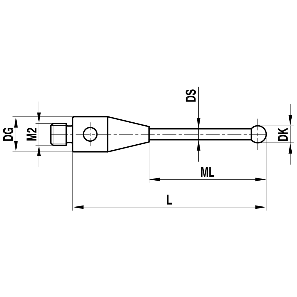
Gerade Taster; Grundkörper: Stahl; Schaft: Hartmetall; Kugel: Siliziumnitrid
Gerader Taster für den täglichen Standardeinsatz.
Der Hartmetallschaft mit seiner extremen Steifigkeit ermöglicht eine große Abmessungsvielfalt.
Die Kugeln aus Siliziumnitrid empfehlen sich besonders für das Scannen von Werkstücken aus unbehandeltem Aluminium.
In dieser Produktgruppe finden Sie die Taster mit den Kugelgrößen von Ø1,0mm bis Ø5,0mm.
Weitere Größen können über den Konfigurator oder per E-Mail angefragt werden.
Gewindegröße: | M2 |
---|---|
DK: | 3.0 |
L: | 51.5 |
DG: | 3.0 |
ML: | 44.0 |
DS: | 2.0 |
Grundkörper Material: | Stahl |
Kugelmaterial: | Siliziumnitrid |
Schaftmaterial: | Hartmetall |
Gewicht: | 2.4 |
