TH M3 005 04 022
ITP P/N:
THM300504022
11
Passend zu Zeiss: 602030-8115-000
Passend zu Zeiss: 602030-8115-000
TH M3 005 04 022
ITP P/N:
THM300504022
35,00 €*
Sofort verfügbar, Versandfertig 1-3 Tage
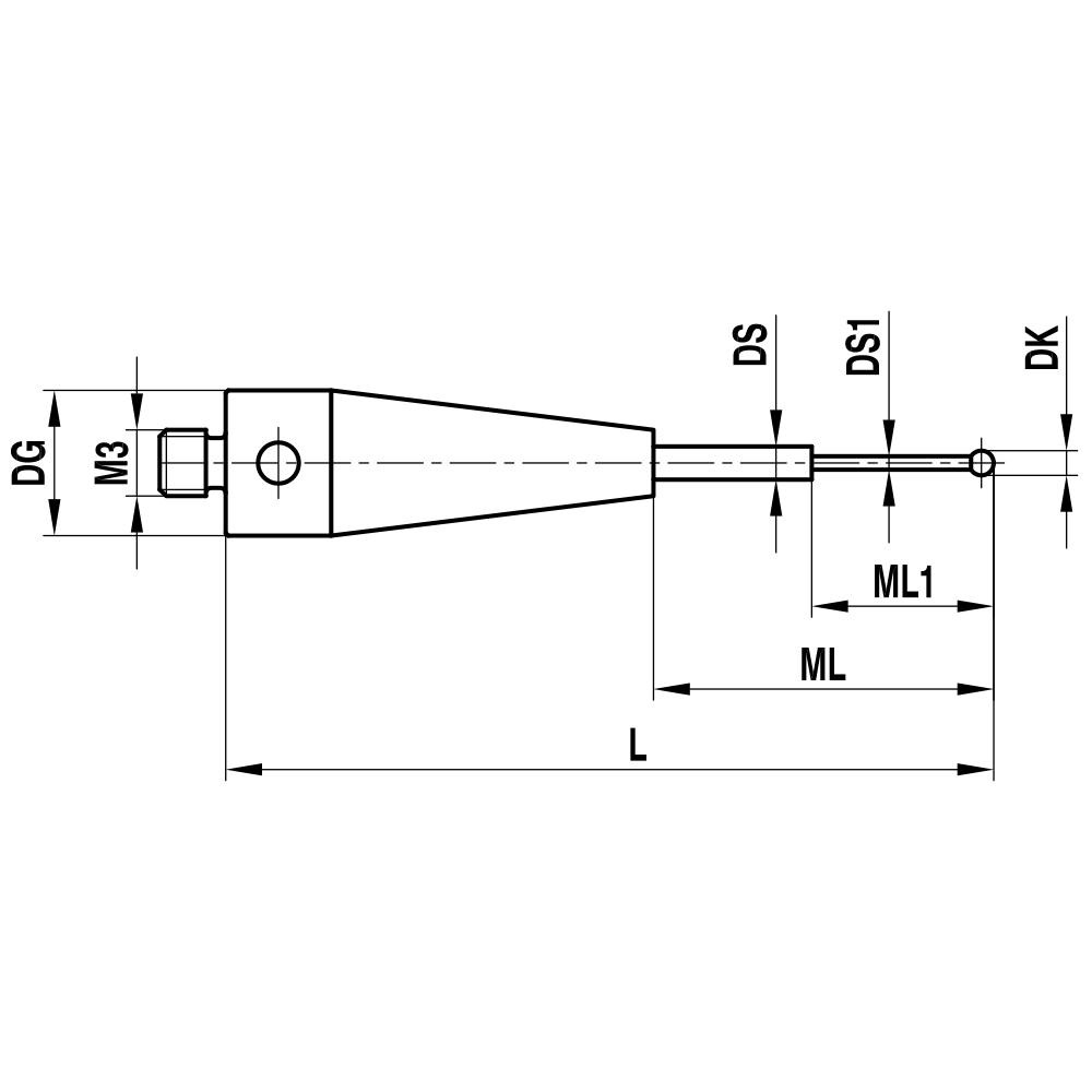
Gerade Taster; Grundkörper: Stahl; Schaft: Hartmetall; Kugel: Rubin
Gerader Taster für den täglichen Standardeinsatz.
Der extrem steife Hartmetallschaft ermöglicht eine große Abmessungsvielfalt. Der Schaft kann sowohl ein- als auch mehrstufig ausgeführt sein.
Für diese Taster werden Rubinkugeln höchster Qualität ab Ø0,2mm bis Ø1,0mm verwendet.
Weitere Größen können über den Konfigurator oder per E-Mail angefragt werden.
| Gewindegröße: | M3 |
|---|---|
| DK: | 0.5 |
| L: | 21.25 |
| DG: | 4.0 |
| ML: | 11.25 |
| ML (1): | 2.5 |
| DS: | 1.0 |
| DS (1): | 0.3 |
| Grundkörper Material: | Stahl |
| Kugelmaterial: | Rubin |
| Schaftmaterial: | Hartmetall |
| Gewicht: | 0.9 |
| Kompatibel mit: | Renishaw, Zeiss |
| Zeiss Nr.: | 602030-8115-000 |
| Renishaw-Nr.: | A-5555-0267 |