TH M3 015 05 020
ITP P/N:
THM301505020
11
Passend zu Zeiss: 626113-0150-020
Passend zu Zeiss: 626113-0150-020
TH M3 015 05 020
ITP P/N:
THM301505020
35,00 €*
Sofort verfügbar, Versandfertig 1-3 Tage
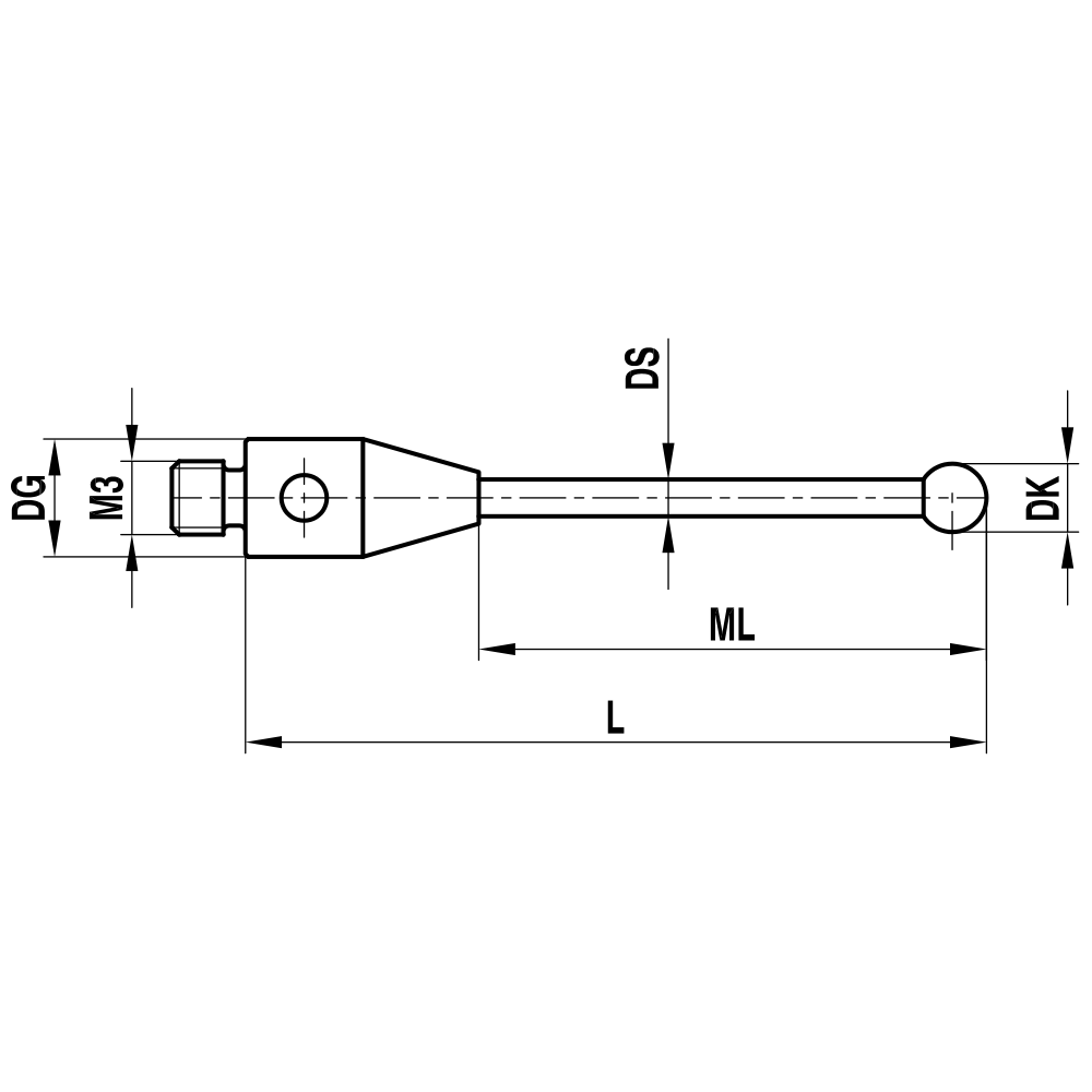
Gerade Taster; Grundkörper: Titan; Schaft: Hartmetall; Kugel: Rubin
Gerader Taster für den täglichen Standardeinsatz.
Die Besonderheit dieser Taster ist der aus Titan gefertigte Halter Ø5,0mm.
Der Hartmetallschaft mit seiner extremen Steifigkeit ermöglicht eine große Abmessungsvielfalt. Für diese Taster werden Rubinkugeln höchster Qualität ab Ø0,8mm bis Ø2,5mm verwendet.
Weitere Größen können über den Konfigurator oder per E-Mail angefragt werden.
| Gewindegröße: | M3 XXT |
|---|---|
| DK: | 1.5 |
| L: | 20.0 |
| DG: | 5.0 |
| ML: | 11.0 |
| DS: | 1.0 |
| Grundkörper Material: | Titan |
| Kugelmaterial: | Rubin |
| Schaftmaterial: | Hartmetall |
| Gewicht: | 0.7 |
| Kompatibel mit: | Zeiss |
| Zeiss Nr.: | 626113-0150-020 |