TH M3 025 04 031
ITP P/N:
THM302504031
11
TH M3 025 04 031
ITP P/N:
THM302504031
31,00 €*
Sofort verfügbar, Versandfertig 1-3 Tage
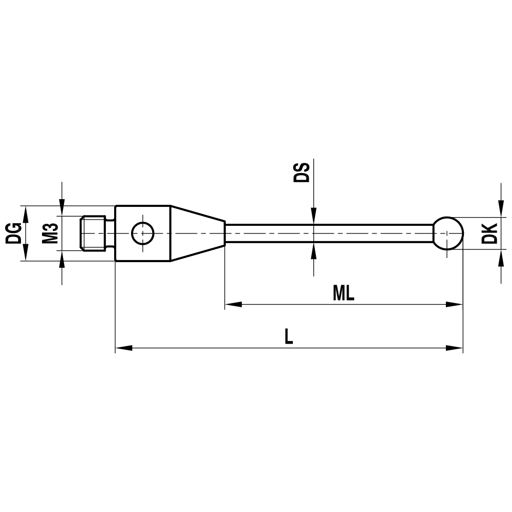
Gerade Taster; Grundkörper: Stahl; Schaft: Hartmetall; Kugel: Rubin
Gerader Taster für den täglichen Standardeinsatz.
Der extrem steife Hartmetallschaft ermöglicht eine große Abmessungsvielfalt. Für diese Taster werden Rubinkugeln höchster Qualität ab Ø0,5mm bis Ø6,0mm verwendet.
Weitere Größen können über den Konfigurator oder per E-Mail angefragt werden.
Gewindegröße: | M3 |
---|---|
DK: | 2.5 |
L: | 31.25 |
DG: | 4.0 |
ML: | 23.75 |
DS: | 2.0 |
Grundkörper Material: | Stahl |
Kompatibel mit: | Hexagon, Mitutoyo |
Kugelmaterial: | Rubin |
Schaftmaterial: | Hartmetall |
Gewicht: | 1.8 |
Renishaw-Nr.: | A-5003-0055 |
Hexagon-Nr.: | 03969342 |
Mitutoyo-Nr.: | K651121 |
