TH M3 030 04 051
ITP P/N:
THM303004051
11
Passend zu Zeiss: 612030-9394-000
Passend zu Zeiss: 612030-9394-000
TH M3 030 04 051
ITP P/N:
THM303004051
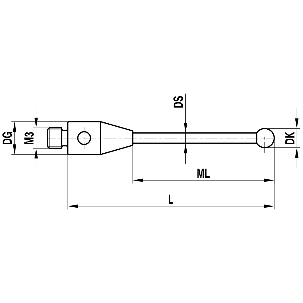
Gerade Taster; Grundkörper: Stahl; Schaft: Hartmetall; Kugel: Rubin
Gerader Taster für den täglichen Standardeinsatz.
Der extrem steife Hartmetallschaft ermöglicht eine große Abmessungsvielfalt. Für diese Taster werden Rubinkugeln höchster Qualität ab Ø0,5mm bis Ø6,0mm verwendet.
Weitere Größen können über den Konfigurator oder per E-Mail angefragt werden.
Gewindegröße: | M3 |
---|---|
DK: | 3.0 |
L: | 51.5 |
DG: | 4.0 |
ML: | 44.0 |
DS: | 2.0 |
Grundkörper Material: | Stahl |
Kompatibel mit: | Hexagon, Mitutoyo, Zeiss |
Kugelmaterial: | Rubin |
Schaftmaterial: | Hartmetall |
Gewicht: | 2.7 |
Zeiss Nr.: | 612030-9394-000 |
Renishaw-Nr.: | A-5003-0059 |
Hexagon-Nr.: | 03969353 |
Mitutoyo-Nr.: | K651132 |
