TH M3 030 05 050

ITP P/N: THM303005050 11

TH M3 030 05 050

ITP P/N: THM303005050

27,00 €*

Sofort verfügbar, Versandfertig 1-3 Tage


Zu unserem Anfrageformular
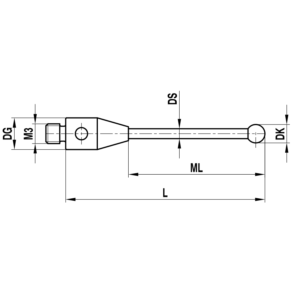
Gerade Taster; Grundkörper: Stahl; Schaft: Hartmetall; Kugel: Rubin
Gerader Taster für den täglichen Standardeinsatz. Der extrem steife Hartmetallschaft ermöglicht eine große Abmessungsvielfalt. Für diese Taster werden Rubinkugeln höchster Qualität ab Ø0,5mm bis Ø6,0mm verwendet. Weitere Größen können über den Konfigurator oder per E-Mail angefragt werden.
Gewindegröße: M3
DK: 3.0
L: 50.0
DG: 5.5
ML: 31.5
DS: 2.0
Grundkörper Material: Stahl
Kugelmaterial: Rubin
Schaftmaterial: Hartmetall
Gewicht: 3.7
Zeichnung vom Produkt TH M3 030 05 050