TH M3 DC20 05 030

ITP P/N: THM3DC2005030 11

TH M3 DC20 05 030

ITP P/N: THM3DC2005030

479,00 €*


Zu unserem Anfrageformular
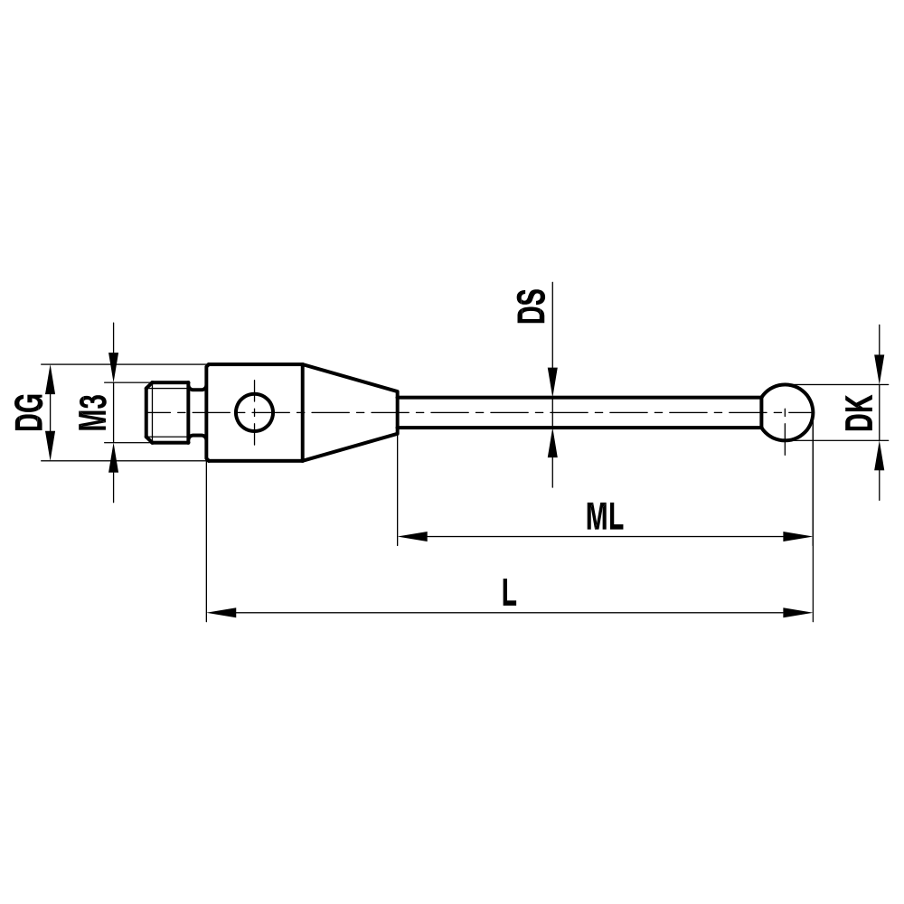
Gerade Taster; Grundkörper: Titan; Schaft: Hartmetall; Kugel: Diamantbeschichtung
Gerader Taster für höchste Ansprüche. Der extrem steife Hartmetallschaft ermöglicht höchste Messgenauigkeit. Die diamantbeschichteten Siliziumkarbidkugeln mit höchster Verschleißfestigkeit sorgen für eine sehr lange Lebensdauer. In dieser Produktgruppe finden Sie die Taster mit den Kugelgrößen von Ø1,5mm bis Ø2,0mm. Weitere Größen können über den Konfigurator oder per E-Mail angefragt werden.
Gewindegröße: M3 XXT
DK: 2.0
L: 30.0
DG: 5.0
ML: 21.0
DS: 1.0
Grundkörper Material: Titan
Kugelmaterial: Diamantbeschichtung
Schaftmaterial: Hartmetall
Gewicht: 0.8
Zeichnung vom Produkt TH M3 DC20 05 030