TH M3 S50 04 052

ITP P/N: THM3S5004052 11

TH M3 S50 04 052

ITP P/N: THM3S5004052

73,00 €*

Versandfertig in 14 Tagen, Lieferzeit 1-3 Tage


Zu unserem Anfrageformular
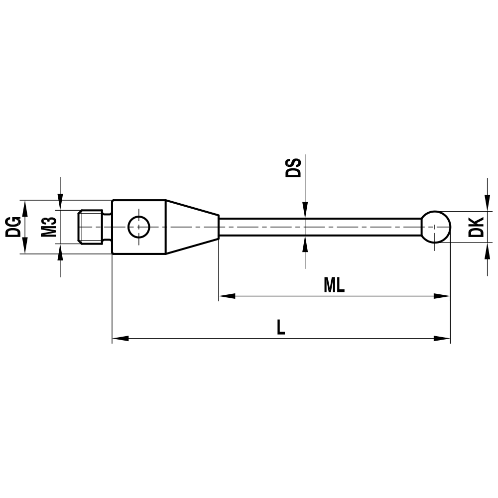
Gerade Taster; Grundkörper: Stahl; Schaft: Hartmetall; Kugel: Siliziumnitrid
Gerader Taster für den täglichen Standardeinsatz. Der Hartmetallschaft mit seiner extremen Steifigkeit ermöglicht eine große Abmessungsvielfalt. Die Kugeln aus Siliziumnitrid empfehlen sich besonders für das Scannen von Werkstücken aus unbehandeltem Aluminium. In dieser Produktgruppe finden Sie Taster mit Kugelgrößen von Ø1,5mm bis Ø5,0mm. Weitere Größen können über den Konfigurator oder per E-Mail angefragt werden.
Gewindegröße: M3
DK: 5.0
L: 52.5
DG: 4.0
ML: 45.0
DS: 2.5
Grundkörper Material: Stahl
Kugelmaterial: Siliziumnitrid
Schaftmaterial: Hartmetall
Gewicht: 3.9
Zeichnung vom Produkt TH M3 S50 04 052