TH M4 060 07 100
ITP P/N:
THM406007100
11
TH M4 060 07 100
ITP P/N:
THM406007100
71,00 €*
Versandfertig in 14 Tagen, Lieferzeit 1-3 Tage
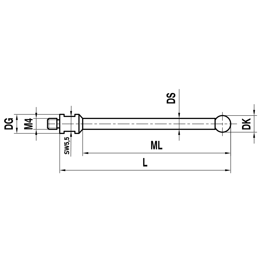
Gerade Taster; Grundkörper: Stahl; Schaft: Hartmetall; Kugel: Rubin
Gerader Taster für den täglichen Standardeinsatz.
Der extrem steife Hartmetallschaft ermöglicht eine große Abmessungsvielfalt. Für diese Taster werden Rubinkugeln höchster Qualität von Ø1,0mm bis Ø8,0mm verwendet.
Die Taster werden mit einem Gabelschlüssel SW5,5 handfest angezogen.
Weitere Größen können über den Konfigurator oder per E-Mail angefragt werden.
| Gewindegröße: | M4 |
|---|---|
| DK: | 6.0 |
| L: | 103.0 |
| DG: | 7.0 |
| ML: | 94.5 |
| DS: | 4.0 |
| Grundkörper Material: | Stahl |
| Kugelmaterial: | Rubin |
| Schaftmaterial: | Hartmetall |
| Gewicht: | 19.7 |
| Kompatibel mit: | MARPOSS |