TH M5 DC20 11 040

ITP P/N: THM5DC2011040 11

TH M5 DC20 11 040

ITP P/N: THM5DC2011040

479,00 €*

Versandfertig in 14 Tagen, Lieferzeit 1-3 Tage


Zu unserem Anfrageformular
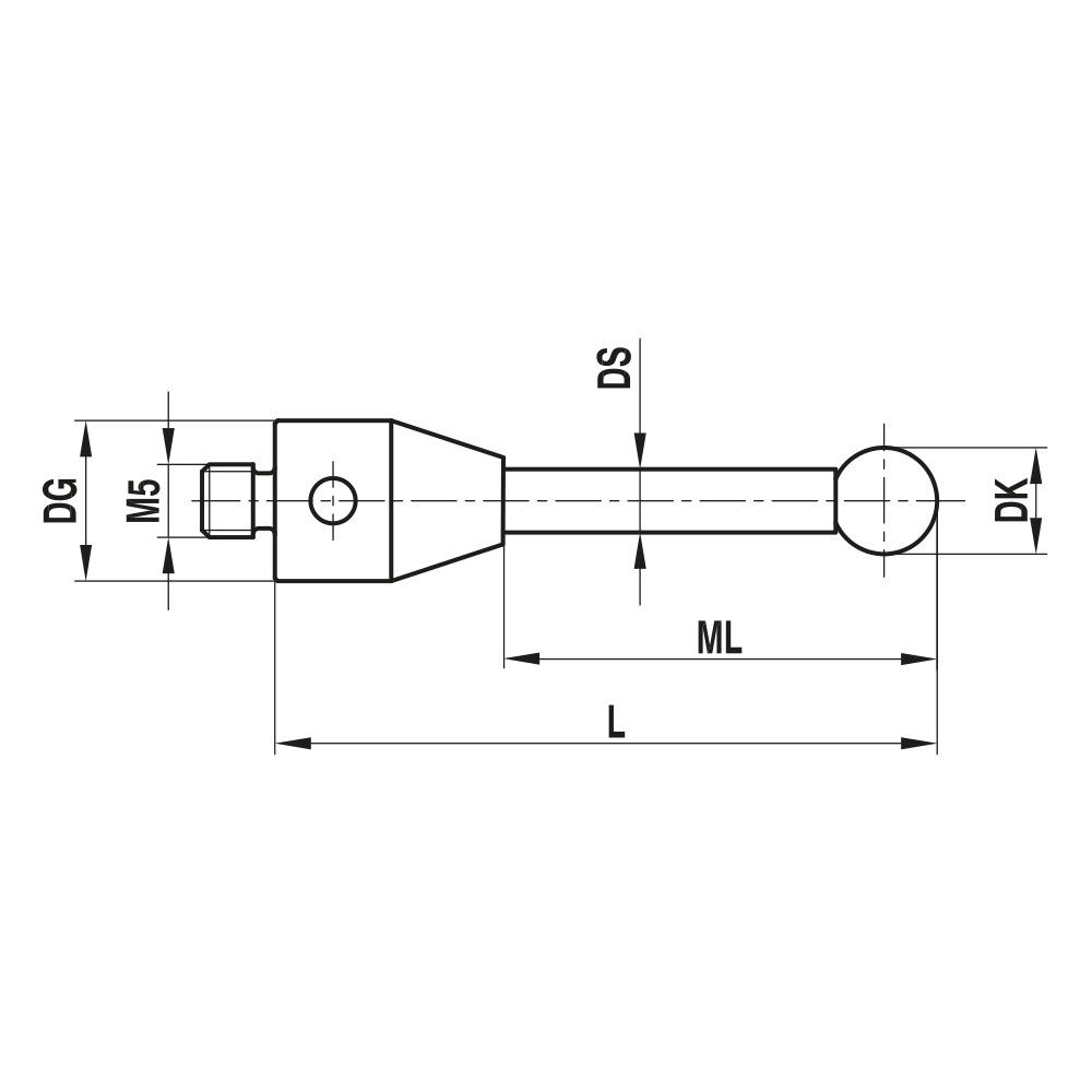
Gerade Taster; Grundkörper: Titan; Schaft: Hartmetall; Kugel: Diamantbeschichtung
Gerader Taster für höchste Ansprüche. Der extrem steife Hartmetallschaft ermöglicht höchste Messgenauigkeit. Die diamantbeschichteten Siliziumkarbidkugeln mit höchster Verschleißfestigkeit sorgen für eine sehr lange Lebensdauer. In dieser Produktgruppe finden Sie die Taster mit den Kugelgrößen von Ø1,5mm bis Ø10,0mm. Weitere Größen können über den Konfigurator oder per E-Mail angefragt werden.
Gewindegröße: M5
DK: 2.0
L: 40.0
DG: 11.0
ML: 30.0
DS: 1.5
Grundkörper Material: Titan
Kugelmaterial: Diamantbeschichtung
Schaftmaterial: Hartmetall
Gewicht: 4
Zeichnung vom Produkt TH M5 DC20 11 040