TH M5 DC50 11 075
ITP P/N:
THM5DC5011075
11
Passend zu Zeiss: 626115-0519-075, 626115-0529-075
Passend zu Zeiss: 626115-0519-075, 626115-0529-075
TH M5 DC50 11 075
ITP P/N:
THM5DC5011075
659,00 €*
Versandfertig in 14 Tagen, Lieferzeit 1-3 Tage
Gerade Taster; Grundkörper: Titan; Schaft: Hartmetall; Kugel: Diamantbeschichtung
Gerader Taster für höchste Ansprüche.
Der extrem steife Hartmetallschaft ermöglicht höchste Messgenauigkeit.
Die diamantbeschichteten Siliziumkarbidkugeln mit höchster Verschleißfestigkeit sorgen für eine sehr lange Lebensdauer.
In dieser Produktgruppe finden Sie die Taster mit den Kugelgrößen von Ø1,5mm bis Ø10,0mm.
Weitere Größen können über den Konfigurator oder per E-Mail angefragt werden.
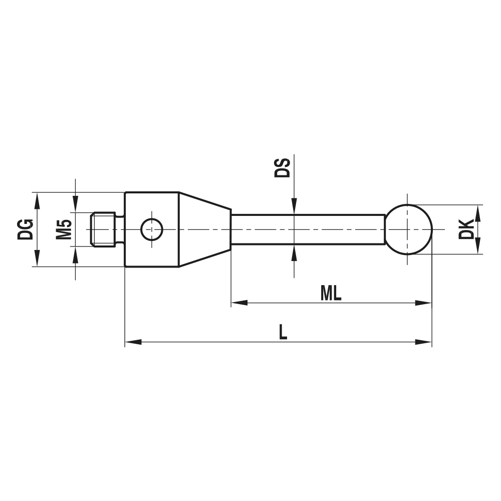
| Gewindegröße: | M5 |
|---|---|
| DK: | 5.0 |
| L: | 75.0 |
| DG: | 11.0 |
| ML: | 65.0 |
| DS: | 3.5 |
| Grundkörper Material: | Titan |
| Kugelmaterial: | Diamantbeschichtung |
| Schaftmaterial: | Hartmetall |
| Gewicht: | 12.4 |
| Kompatibel mit: | Zeiss |
| Zeiss Nr.: | 626115-0519-075, 626115-0529-075 |