TH M5 S10 11 030
ITP P/N:
THM5S1011030
11
Passend zu Zeiss: 626115-0104-030
Passend zu Zeiss: 626115-0104-030
TH M5 S10 11 030
ITP P/N:
THM5S1011030
43,00 €*
Sofort verfügbar, Versandfertig 1-3 Tage
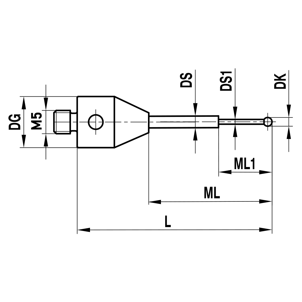
Gerade Taster; Grundkörper: Titan; Schaft: Hartmetall; Kugel: Siliziumnitrid
Gerader Taster für den täglichen Standardeinsatz.
Der Hartmetallschaft mit seiner extremen Steifigkeit ermöglicht eine große Abmessungsvielfalt. Die Schäfte können ein- oder mehrfach abgestuft werden.
Die Kugeln aus Siliziumnitrid empfehlen sich besonders für das Scannen von Werkstücken aus unbehandeltem Aluminium.
In dieser Produktgruppe finden Sie Taster unterschiedlichen längen und mit Kugelgrößen von Ø1,0mm bis Ø1,5mm.
Weitere Größen können über den Konfigurator oder per E-Mail angefragt werden.
Gewindegröße: | M5 |
---|---|
DK: | 1.0 |
L: | 30.0 |
DG: | 11.0 |
ML: | 20.0 |
ML (1): | 5.0 |
DS: | 1.0 |
DS (1): | 0.8 |
Grundkörper Material: | Titan |
Kompatibel mit: | Hexagon, Zeiss |
Kugelmaterial: | Siliziumnitrid |
Schaftmaterial: | Hartmetall |
Gewicht: | 3.4 |
Zeiss Nr.: | 626115-0104-030 |
Hexagon-Nr.: | M00-1121-036-000 |
