TH M5 S100 11 150/K

ITP P/N: THM5S10011150/K 11

TH M5 S100 11 150/K

ITP P/N: THM5S10011150/K

70,00 €*

Versandfertig in 14 Tagen, Lieferzeit 1-3 Tage


Zu unserem Anfrageformular
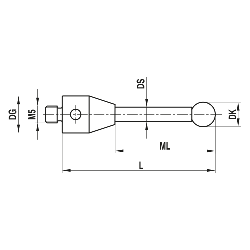
Gerade Taster; Grundkörper: Titan; Schaft: Hartmetall; Kugel: Siliziumnitrid
Gerader Taster für den täglichen Standardeinsatz. Der extrem steife Hartmetallschaft ermöglicht eine große Abmessungsvielfalt. Je nach Messsystem stehen in dieser Gruppe Tastereinsätze mit Haltern Ø10,0 mm, Ø11,0 mm und Ø12,0 mm zur Auswahl. Die Kugeln aus Siliziumnitrid empfehlen sich besonders für das Scannen von Werkstücken aus unbehandeltem Aluminium. In dieser Produktgruppe finden Sie Taster mit Kugelgrößen von Ø1,5mm bis Ø10,0mm. Weitere Größen können über den Konfigurator oder per E-Mail angefragt werden.
Gewindegröße: M5
DK: 10.0
L: 150.0
DG: 11.0
ML: 135.0
DS: 6.0
Grundkörper Material: Titan
Kugelmaterial: Siliziumnitrid
Schaftmaterial: Hartmetall
Gewicht: 44.3
Zeichnung vom Produkt TH M5 S100 11 150/K