TH M5 S15 11 025
ITP P/N:
THM5S1511025
11
Passend zu Zeiss: 626115-0151-025
Passend zu Zeiss: 626115-0151-025
TH M5 S15 11 025
ITP P/N:
THM5S1511025
45,00 €*
Versandfertig in 14 Tagen, Lieferzeit 1-3 Tage
Gerade Taster; Grundkörper: Titan; Schaft: Hartmetall; Kugel: Siliziumnitrid
Gerader Taster für den täglichen Standardeinsatz.
Der extrem steife Hartmetallschaft ermöglicht eine große Abmessungsvielfalt.
Die Kugeln aus Siliziumnitrid empfehlen sich besonders für das Scannen von Werkstücken aus unbehandeltem Aluminium.
In dieser Produktgruppe finden Sie Taster mit Kugelgrößen von Ø1,5mm bis Ø10,0mm.
Weitere Größen können über den Konfigurator oder per E-Mail angefragt werden.
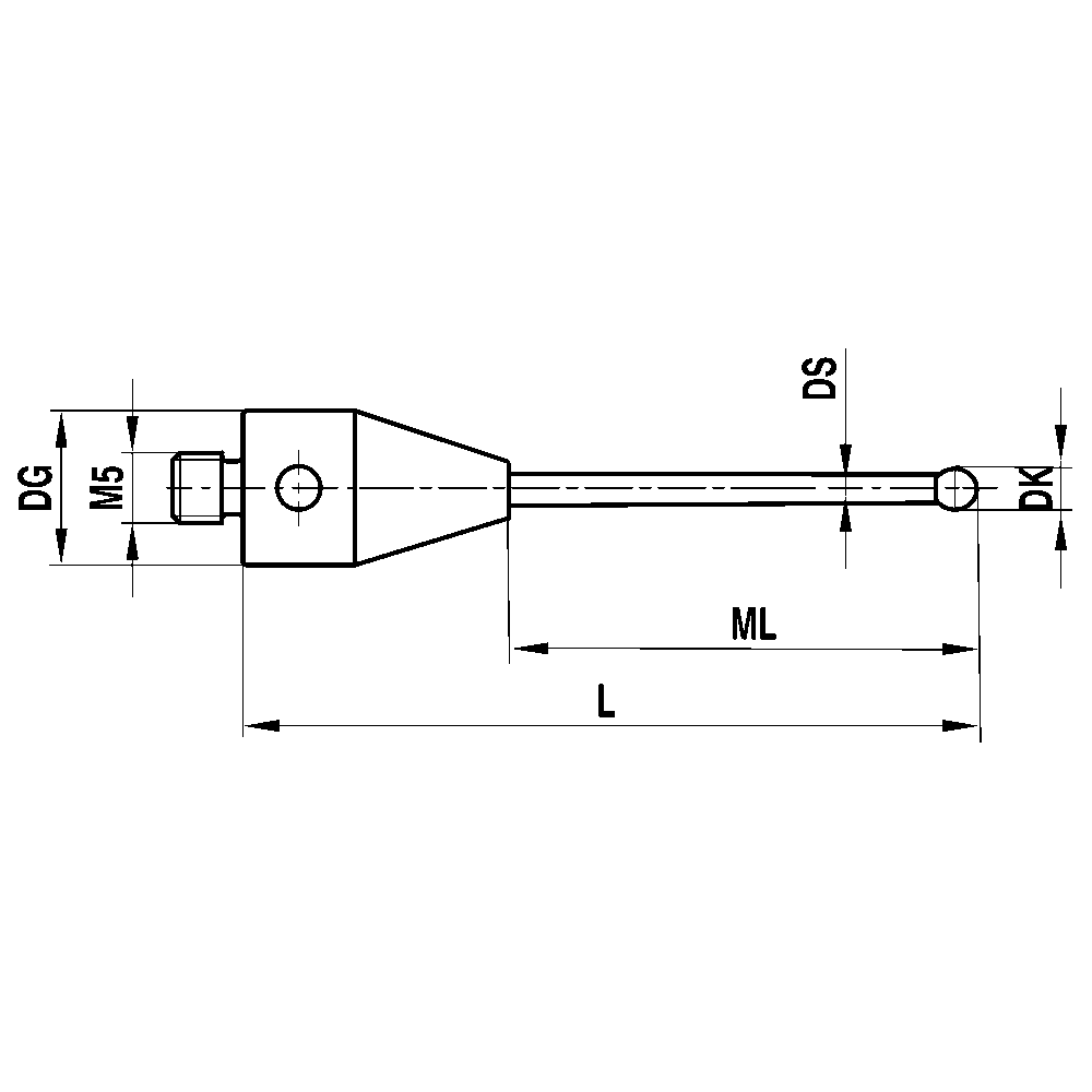
| Gewindegröße: | M5 |
|---|---|
| DK: | 1.5 |
| L: | 25.0 |
| DG: | 11.0 |
| ML: | 15.0 |
| DS: | 1.0 |
| Grundkörper Material: | Titan |
| Kugelmaterial: | Siliziumnitrid |
| Schaftmaterial: | Hartmetall |
| Gewicht: | 3.3 |
| Kompatibel mit: | Renishaw, Zeiss |
| Zeiss Nr.: | 626115-0151-025 |
| Renishaw-Nr.: | A-5555-4116 |