TH M5 S30 11 050/K
ITP P/N:
THM5S3011050/K
11
Passend zu Zeiss: 626115-0302-050
Passend zu Zeiss: 626115-0302-050
TH M5 S30 11 050/K
ITP P/N:
THM5S3011050/K
33,00 €*
Sofort verfügbar, Versandfertig 1-3 Tage
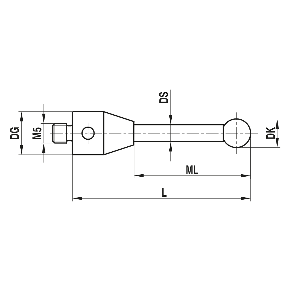
Gerade Taster; Grundkörper: Titan; Schaft: Hartmetall; Kugel: Siliziumnitrid
Gerader Taster für den täglichen Standardeinsatz.
Der extrem steife Hartmetallschaft ermöglicht eine große Abmessungsvielfalt.
Je nach Messsystem stehen in dieser Gruppe Tastereinsätze mit Haltern Ø10,0 mm, Ø11,0 mm und Ø12,0 mm zur Auswahl.
Die Kugeln aus Siliziumnitrid empfehlen sich besonders für das Scannen von Werkstücken aus unbehandeltem Aluminium.
In dieser Produktgruppe finden Sie Taster mit Kugelgrößen von Ø1,5mm bis Ø10,0mm.
Weitere Größen können über den Konfigurator oder per E-Mail angefragt werden.
| Gewindegröße: | M5 |
|---|---|
| DK: | 3.0 |
| L: | 50.0 |
| DG: | 11.0 |
| ML: | 40.0 |
| DS: | 2.0 |
| Grundkörper Material: | Titan |
| Kugelmaterial: | Siliziumnitrid |
| Schaftmaterial: | Hartmetall |
| Gewicht: | 5 |
| Kompatibel mit: | Zeiss |
| Zeiss Nr.: | 626115-0302-050 |