TH M5 S50 11 075
ITP P/N:
THM5S5011075
11
TH M5 S50 11 075
ITP P/N:
THM5S5011075
67,00 €*
Sofort verfügbar, Versandfertig 1-3 Tage
Gerade Taster; Grundkörper: Titan; Schaft: Hartmetall; Kugel: Siliziumnitrid
Gerader Taster für den täglichen Standardeinsatz.
Der extrem steife Hartmetallschaft ermöglicht eine große Abmessungsvielfalt.
Je nach Messsystem stehen in dieser Gruppe Tastereinsätze mit Haltern Ø10,0 mm, Ø11,0 mm und Ø12,0 mm zur Auswahl.
Die Kugeln aus Siliziumnitrid empfehlen sich besonders für das Scannen von Werkstücken aus unbehandeltem Aluminium.
In dieser Produktgruppe finden Sie Taster mit Kugelgrößen von Ø1,5mm bis Ø10,0mm.
Weitere Größen können über den Konfigurator oder per E-Mail angefragt werden.
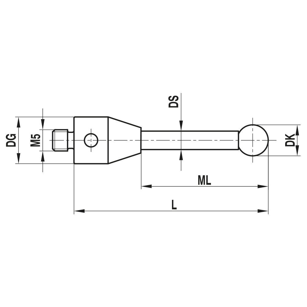
| Gewindegröße: | M5 |
|---|---|
| DK: | 5.0 |
| L: | 75.0 |
| DG: | 11.0 |
| ML: | 65.0 |
| DS: | 3.5 |
| Grundkörper Material: | Titan |
| Kugelmaterial: | Siliziumnitrid |
| Schaftmaterial: | Hartmetall |
| Gewicht: | 12.4 |
| Kompatibel mit: | Hexagon |
| Hexagon-Nr.: | M00-1121-028-000 |